GM Service Manual Online
For 1990-2009 cars only

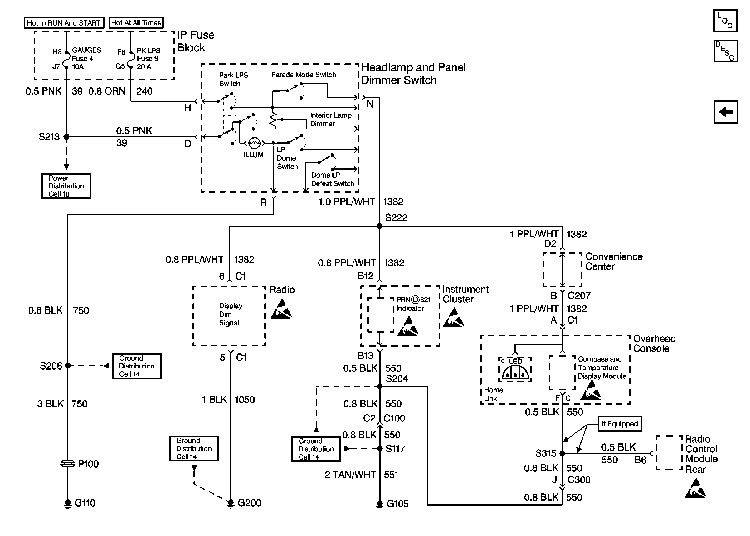
Cell 117 (IP Fuse Block, Headlamp and Panel Dimmer Switch, ConveNience Center, Overhead Console, Rear Radio Control Module)

Cell 117 (IP Fuse Block, Headlamp and Panel Dimmer Switch, Convenience Center, Overhead Console, Rear Radio Control Module)


Object Number: 363985  Size: FS
Lighting Systems Components
Interior Lights Dimming Circuit Description
Cell 117 (Convenience Center, Rear Window Wiper/Washer Switch, Rear A/C Switch)
GAUGES, AIR BAG Fuses
Handling ESD Sensitive Parts Notice
Handling ESD Sensitive Parts Notice
Handling ESD Sensitive Parts Notice
Handling ESD Sensitive Parts Notice
Handling ESD Sensitive Parts Notice
Cell 14 (G110)
Cell 14 (G200)
Cell 14 (G107, G105)