GM Service Manual Online
For 1990-2009 cars only
Makes
🢒
Chevrolet
🢒
1998
🢒
Astro - 2WD
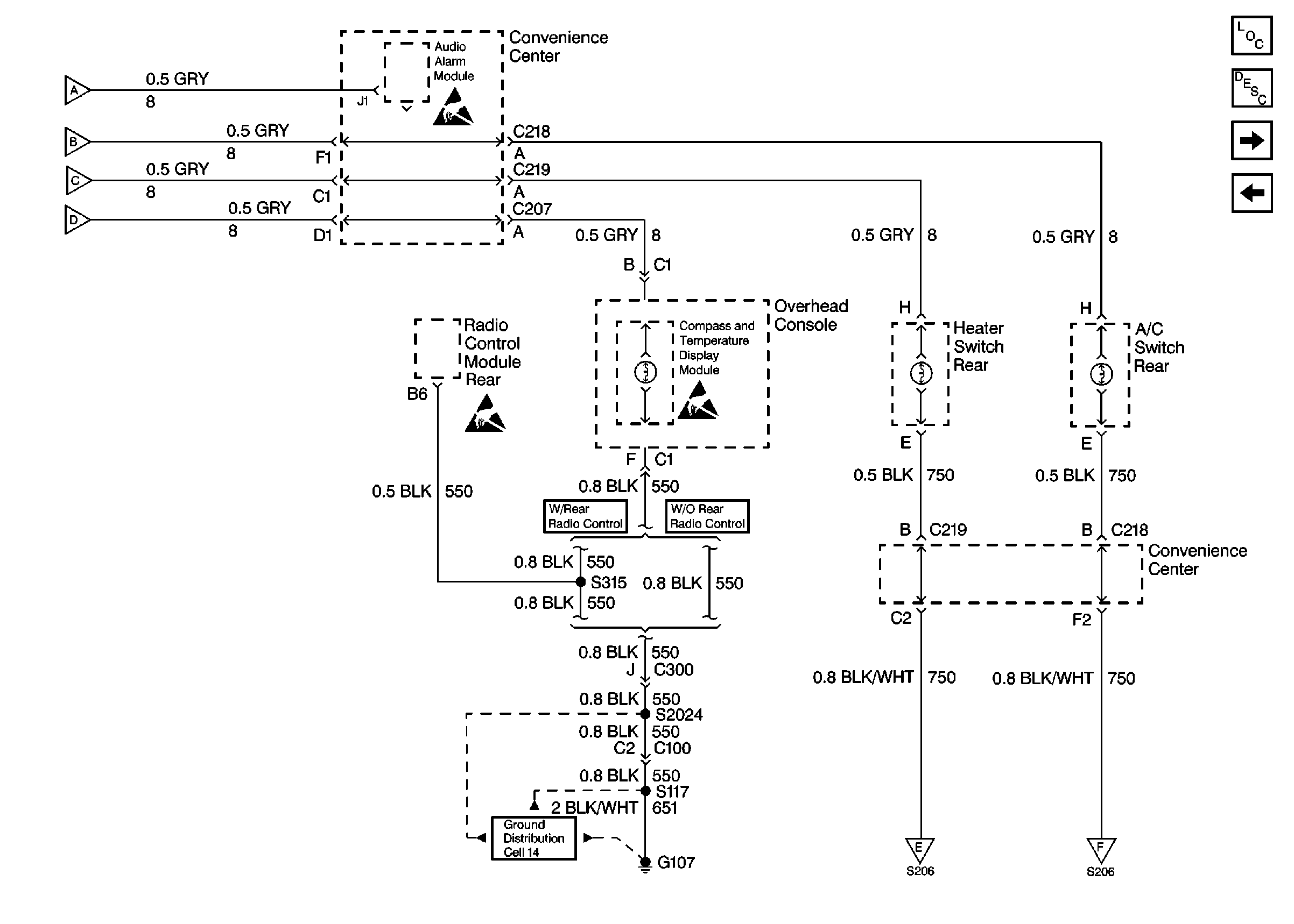
🢒 Cell 117 (Convenience Center, Rear Window Wiper/Washer Switch, Rear A/C Switch)
Cell 117 (Convenience Center, Rear Window Wiper/Washer Switch, Rear A/C Switch)
Cell 117 (Convenience Center, Rear Window Wiper/Washer Switch, Rear A/C Switch)
Lighting Systems Components
Interior Lights Dimming Circuit Description
Cell 117 (IP Fuse Block, Headlamp and Panel Dimmer Switch, ConveNience Center, Overhead Console, Rear Radio Control Module)
Cell 117 (Headlamp and Panel Dimmer Switch, Remote CD/Cassette Tape Player)
Handling ESD Sensitive Parts Notice
Handling ESD Sensitive Parts Notice
Handling ESD Sensitive Parts Notice
Cell 14 (G107, G105)
Cell 117 (Headlamp and Panel Dimmer Switch, Remote CD/Cassette Tape Player)
Cell 117 (Headlamp and Panel Dimmer Switch, Remote CD/Cassette Tape Player)