GM Service Manual Online
For 1990-2009 cars only

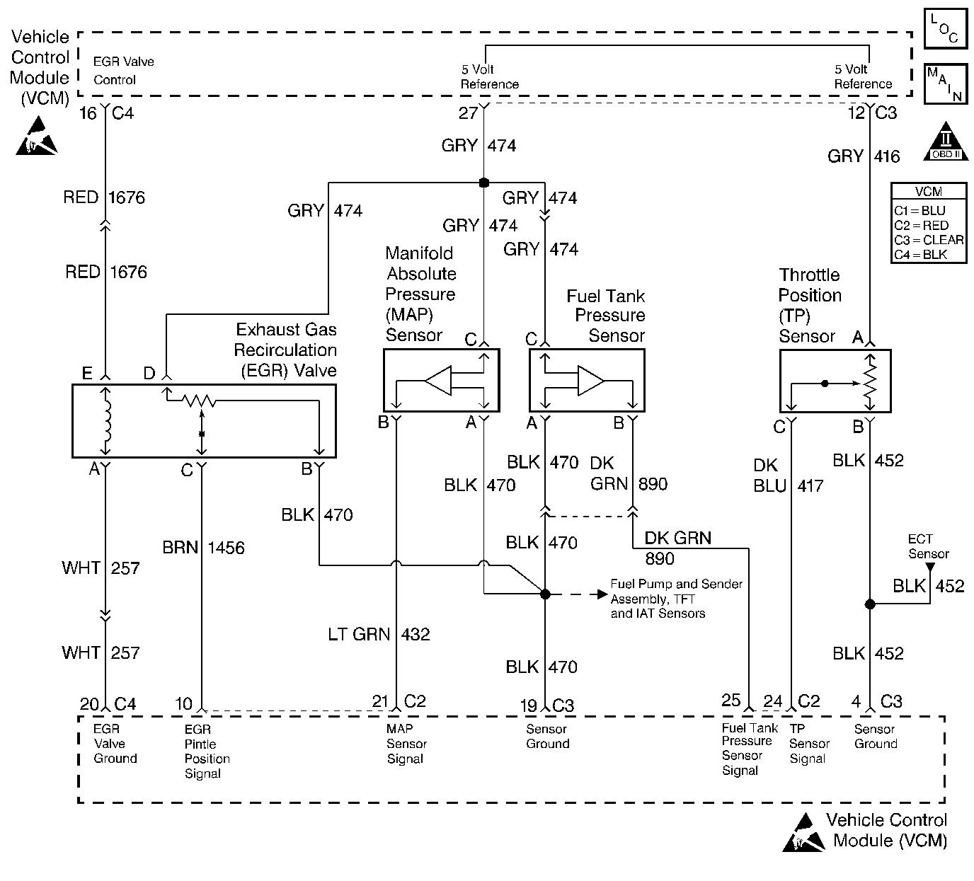
Object Number: 394495  Size: LF
Handling ESD Sensitive Parts Notice
Handling ESD Sensitive Parts Notice
Engine Controls Components
Fuel Mixture Input Controls
OBD II Symbol Description Notice

Circuit Description

The Fuel Tank Pressure Sensor responds to changes in the fuel tank pressure or vacuum. This information is used in order to detect vacuum decay or an excessive vacuum during the EVAP diagnostic routing. The fuel tank pressure sensor signal voltage to the VCM varies from a minimum of about 0.1 volts with pressure in the fuel tank to above 4.0 volts with a high vacuum in the fuel tank.

The Fuel Tank Pressure sensor display on the scan tool has an auto zero feature which occurs at each ignition cycle and is corrected according to the barometric pressure. Because of this, the Fuel Tank Pressure sensor display may not accurately reflect the actual output of the sensor or the conditions within the fuel tank.

The Fuel Tank Pressure Sensor diagnosis table is intended to isolate and diagnose the electrical problems with the sensor wiring or the sensor.

Conditions for Running the DTC

The ignition switch is in the RUN position.

Conditions for Setting the DTC

The fuel tank pressure sensor voltage is greater than 4.98 volts for more than 5 seconds.

Action Taken When the DTC Sets

The VCM turns ON the MIL after 2 consecutive driving cycles with the fault active.

Conditions for Clearing the MIL or DTC

    • The control module turns OFF the MIL after 3 consecutive drive trips when the test has run and passed.
    • A history DTC will clear if no fault conditions have been detected for 40 warm-up cycles. A warm-up cycle occurs when the coolant temperature has risen 22°C (40°F) from the startup coolant temperature and the engine coolant reaches a temperature that is more than 70°C (158°F) during the same ignition cycle.
    • Use a scan tool in order to clear the DTCs.

Diagnostic Aids

  1. Inspect the Control Module harness connectors for the following conditions:
  2. • Improper mating
    • Broken locks
    • Improperly formed
    • Damaged terminals
  3. Inspect the wiring harness for damage. If the harness appears to be OK, observe the Fuel Tank Pressure sensor display on the scan tool while moving the connectors and the wiring harnesses related to the sensor. A change in the display will indicate the location of the fault. Refer to Wiring Repairs in Wiring Systems.

Test Description

Number(s) below refer to the step number(s) on the Diagnostic Table.

  1. If the EVAP Fuel Tank Pressure sensor value is greater than -16.50 in H2O, an EVAP Fuel Tank Pressure sensor circuit problem may be present or an internally shorted Fuel Tank Pressure sensor.

  2. If the EVAP Fuel Tank Pressure sensor value is less than 7.4 in H2O, the fault is the EVAP Fuel Tank Pressure sensor or the reference voltage is higher than 5.00 volts. With good circuits, a disconnected Fuel Tank Pressure sensor should indicate 7.4 in H2O.

  3. A high voltage reading on the 5 volt reference circuit could be caused by a short to voltage on another 5 volt reference circuit, some 5V Ref. circuits are shared inside and outside the VCM. A defective Linear EGR Valve may bleed battery voltage onto the 5 volt reference circuit.

Step

Action

Value(s)

Yes

No

1

Important: : Before clearing the DTCs, use the scan tool Capture Info to save the Freeze Frame and Failure Records for reference. The control module's data is deleted once the Clear Info function is used.

Did you perform the Powertrain On-Board Diagnostic (OBD) System Check?

--

Go to Step 2

Go to Powertrain On Board Diagnostic (OBD) System Check

2

  1. Connect a scan tool.
  2. Turn the key ON.
  3. Monitor the EVAP Fuel Tank Pressure sensor display.

Does the EVAP Fuel Tank Pressure Sensor display vacuum greater than the value specified?

-16.50 in H2O

Go to Step 3

Fault not present. Refer to Diagnostic Aids.

3

Disconnect the EVAP Fuel Tank Pressure sensor connector.

Does the EVAP Fuel Tank Pressure sensor display pressure of more than the value specified?

7.0 in H2O

Go to Step 4

Go to Step 5

4

Using DMM J 39200 measure the voltage at the sensor signal circuit to ground at the EVAP Fuel Tank Pressure sensor connector.

Is the voltage higher than the value specified?

5.2V

Go to Step 7

Go to Step 8

5

Using DMM J 39200 measure the voltage to ground of the sensor Signal circuit at the EVAP Fuel Tank Pressure sensor connector.

Is the voltage higher than the value specified?

0.5V

Go to Step 6

Go to Step 10

6

Repair the short to voltage on the EVAP Fuel Tank Pressure sensor Signal circuit.

Is the repair complete?

--

Go to Step 12

--

7

Repair the short to voltage on the 5 Volt Reference circuit. Refer to Test Description.

Is the repair complete?

--

Go to Step 12

--

8

  1. Check terminal contact at the EVAP Fuel Tank Pressure sensor.
  2. Repair terminal contact if needed.

Was terminal contact repaired?

--

Go to Step 12

Go to Step 9

9

Replace the EVAP Fuel Tank Pressure sensor. Refer to EVAP Fuel Tank Pressure sensor replacement.

Is the replacement complete?

--

Go to Step 12

--

10

  1. Check terminal contact at the VCM.
  2. Repair terminal contact if needed.

Was terminal contact repaired?

--

Go to Step 12

Go to Step 11

11

  1. Replace the VCM.
  2. Program the new VCM. Refer to VCM Replacement/Programming .
  3. Perform the VTD Password Learn Procedure. Refer to Password Learn .
  4. Perform the CKP System Variation Learning Procedure. Refer to Crankshaft Position System Variation Learn .

Is the action complete?

--

Go to Step 12

--

12

  1. Using the scan tool, clear the DTCs.
  2. Start the engine.
  3. Allow the engine to idle until the engine reaches normal operating temperature.
  4. Select DTC and the Specific DTC function.
  5. Enter the DTC number which was set.
  6. Operate the vehicle, with the conditions for Setting this DTC, until the scan tool indicates the diagnostic Ran.

Does the scan tool indicate the diagnostic Passed?

--

Go to Step 13

Go to Step 2

13

Does the scan tool display any additional undiagnosed DTC's?

--

Go to the applicable DTC table

System OK