GM Service Manual Online
For 1990-2009 cars only
Figure 1:

Cell 132 )IP Fuse Block, Convenience Center, Side Door Jamb Switch)


Object Number: 300334  Size: FS
Keyless Entry Components
Keyless Entry System Circuit Description
Cell 132 (IP Fuse Block, LF Door Lock Motor, RF Door Lock Motor, Rear Door Lock Motor)
PWR ACCY Fuse
Cell 114 (Interior Lamp Control Module, Remote Control Door Lock Receiver, Rear Door Jamb)
Handling ESD Sensitive Parts Notice
B+ Bus
Cell 14 (G200)
B+ Bus
Cell 132 (IP Fuse Block, Rear Door Lock Motor, Rear Liftgate Release Motor)
Cell 132 (IP Fuse Block, Rear Door Lock Motor, Rear Liftgate Release Motor)
Cell 132 (IP Fuse Block, LF Door Lock Motor, RF Door Lock Motor, Rear Door Lock Motor)
Cell 132 (IP Fuse Block, LF Door Lock Motor, RF Door Lock Motor, Rear Door Lock Motor)
Cell 132 (IP Fuse Block, Remote Control Door Lock Receiver, Side Door Contact Plate)
Cell 132 (IP Fuse Block, Remote Control Door Lock Receiver, Side Door Contact Plate)
Cell 132 (IP Fuse Block, LF Door Lock Motor, RF Door Lock Motor, Rear Door Lock Motor)
Cell 132 (IP Fuse Block, LF Door Lock Motor, RF Door Lock Motor, Rear Door Lock Motor)
Cell 132 (IP Fuse Block, Remote Control Door Lock Receiver, Side Door Contact Plate)
Cell 132 (IP Fuse Block, Remote Control Door Lock Receiver, Side Door Contact Plate)
Figure 2:

Cell 132 (IP Fuse Block, LF Door Lock Motor, RF Door Lock Motor, Rear Door Lock Motor)


Object Number: 363994  Size: FS
Keyless Entry Components
Keyless Entry System Circuit Description
Cell 132 (IP Fuse Block, Remote Control Door Lock Receiver, Side Door Contact Plate)
Cell 132 )IP Fuse Block, Convenience Center, Side Door Jamb Switch)
B+ Bus
Handling ESD Sensitive Parts Notice
Cell 14 (G200)
Ignition Switch, Run, Run/Start, Off/Run/Start Bus
Cell 114 (Compartment Lamp, Interior Lamp Control Module, Outside Rearview Mirror Control Switch)
Cell 132 )IP Fuse Block, Convenience Center, Side Door Jamb Switch)
Cell 132 )IP Fuse Block, Convenience Center, Side Door Jamb Switch)
Cell 132 )IP Fuse Block, Convenience Center, Side Door Jamb Switch)
Cell 132 )IP Fuse Block, Convenience Center, Side Door Jamb Switch)
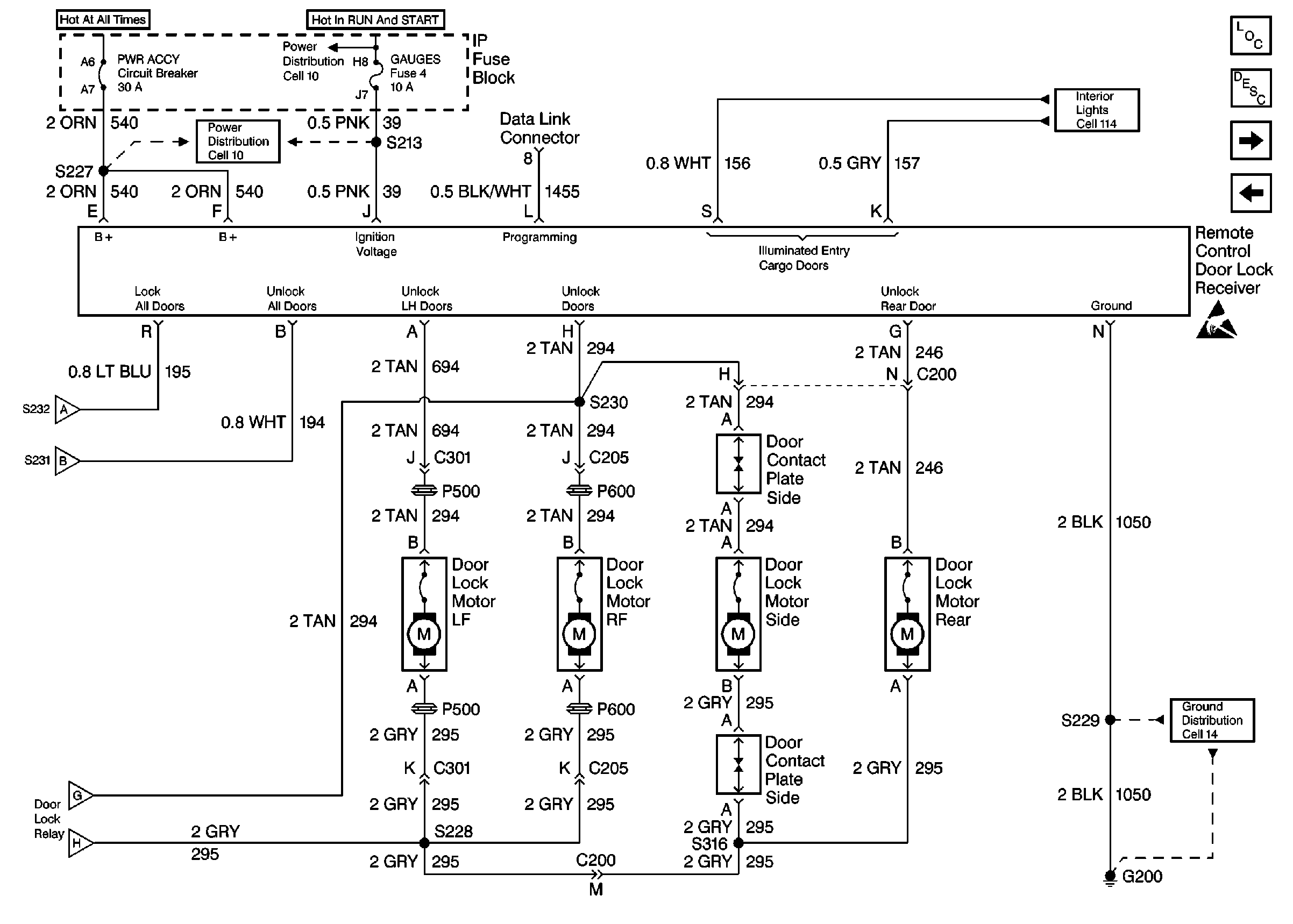
Figure 3:

Cell 132 (IP Fuse Block, Remote Control Door Lock Receiver, Side Door Contact Plate)


Object Number: 300338  Size: FS
Keyless Entry Components
Keyless Entry System Circuit Description
Cell 132 (IP Fuse Block, Rear Door Lock Motor, Rear Liftgate Release Motor)
Cell 132 Remote Control Door Lock Receiver (2 of 2)
Cell 114 (Compartment Lamp, Interior Lamp Control Module, Outside Rearview Mirror Control Switch)
Ignition Switch, Run, Run/Start, Off/Run/Start Bus
Cell 14 (G200)
Handling ESD Sensitive Parts Notice
B+ Bus
Cell 132 (IP Fuse Block, Rear Door Lock Motor, Rear Liftgate Release Motor)
Cell 132 )IP Fuse Block, Convenience Center, Side Door Jamb Switch)
Cell 132 )IP Fuse Block, Convenience Center, Side Door Jamb Switch)
Cell 132 (IP Fuse Block, Rear Door Lock Motor, Rear Liftgate Release Motor)
Cell 132 )IP Fuse Block, Convenience Center, Side Door Jamb Switch)
Cell 132 )IP Fuse Block, Convenience Center, Side Door Jamb Switch)
Figure 4:

Cell 132 (IP Fuse Block, Rear Door Lock Motor, Rear Liftgate Release Motor)


Object Number: 363999  Size: FS
Keyless Entry Components
Keyless Entry System Circuit Description
Cell 132 (IP Fuse Block, Remote Control Door Lock Receiver, Side Door Contact Plate)
B+ Bus
Cell 14 (G403, G300)
B+ Bus
Cell 132 )IP Fuse Block, Convenience Center, Side Door Jamb Switch)
Cell 132 )IP Fuse Block, Convenience Center, Side Door Jamb Switch)
Cell 132 (IP Fuse Block, Remote Control Door Lock Receiver, Side Door Contact Plate)
Cell 132 (IP Fuse Block, Remote Control Door Lock Receiver, Side Door Contact Plate)