GM Service Manual Online
For 1990-2009 cars only
Makes
🢒
Chevrolet
🢒
2000
🢒
Astro - 2WD
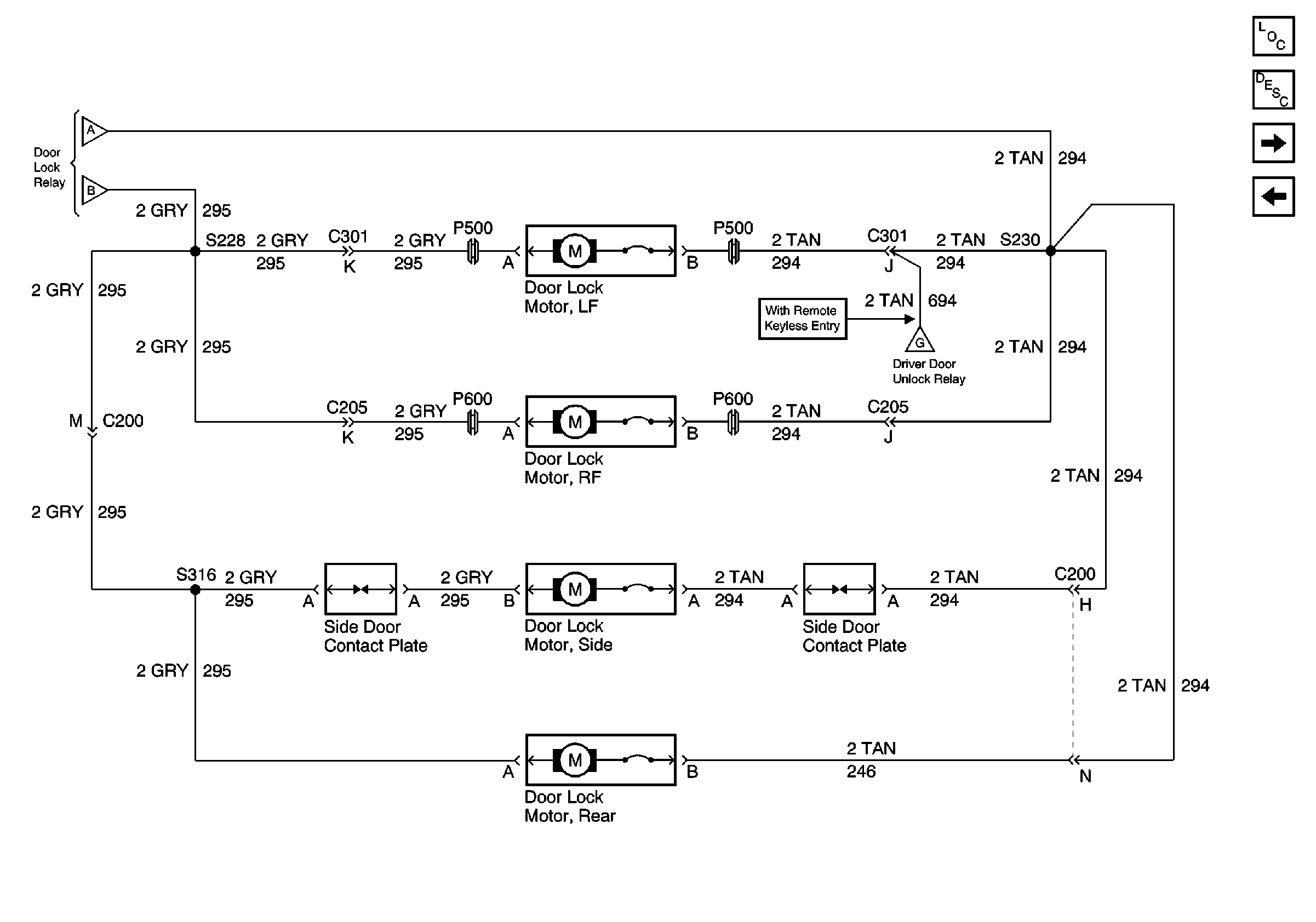
🢒 Power Door Lock Schematics (2 of 4)
Power Door Lock Schematics (2 of 4)
Power Door Lock Schematics (2 of 4)
Power Door Systems Components
Power Door Locks Circuit Description
Power Door Lock Schematics (3 of 4)
Power Door Lock Schematics (1 of 4)
Power Door Lock Schematics (1 of 4)
Power Door Lock Schematics (1 of 4)
Power Door Lock Schematics (4 of 4)