GM Service Manual Online
For 1990-2009 cars only
Makes
🢒
Chevrolet
🢒
2000
🢒
Astro - 2WD
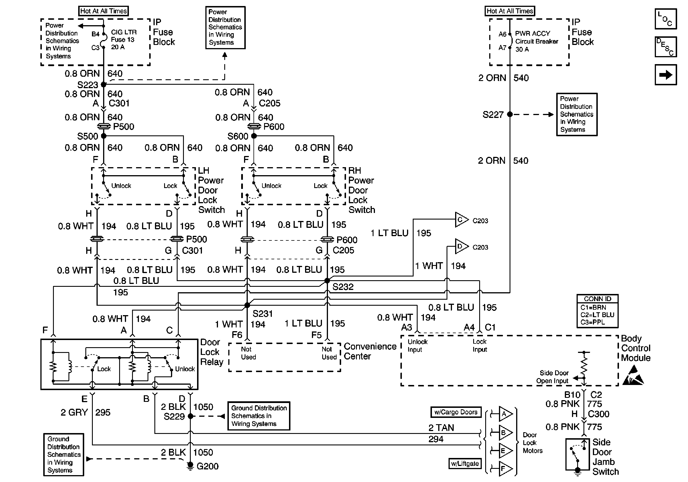
🢒 Power Door Lock Schematics (1 of 4)
Power Door Lock Schematics (1 of 4)
Power Door Lock Schematics (1 of 4)
Power Door Systems Components
Power Door Locks Circuit Description
Power Door Lock Schematics (2 of 4)
BATT and LIGHTING Fuse
CIG LTR Fuse 13, RADIO BATT Fuse 19 and CRANK Fuse 8
BATT and LIGHTING Fuse
G200 (1 of 2)
G200 (1 of 2)
Power Door Systems Schematic Icons
Power Door Lock Schematics (2 of 4)
Power Door Lock Schematics (2 of 4)
Power Door Lock Schematics (3 of 4)
Power Door Lock Schematics (3 of 4)
Power Door Lock Schematics (3 of 4)
Power Door Lock Schematics (3 of 4)