GM Service Manual Online
For 1990-2009 cars only
Makes
🢒
Chevrolet
🢒
2000
🢒
Astro - 2WD
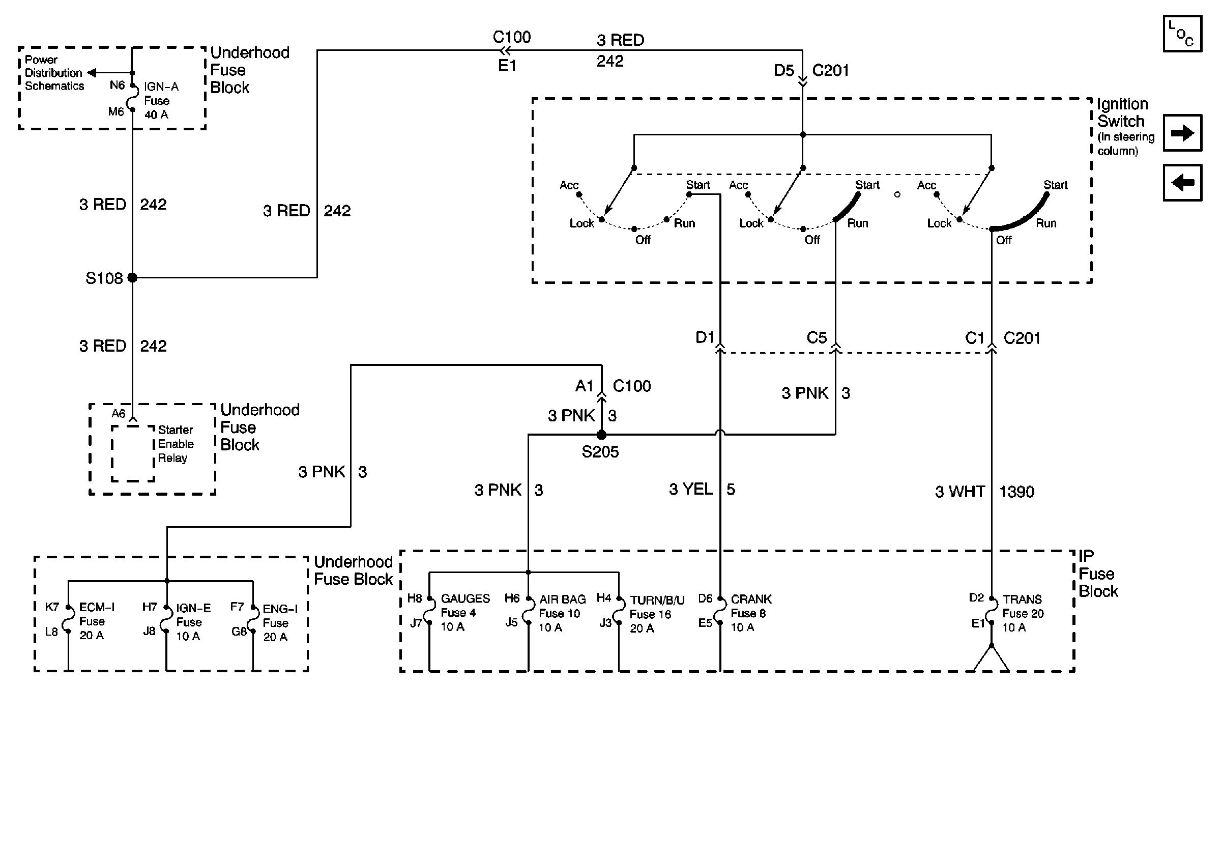
🢒 IGN-A Fuse and Ignition Switch
IGN-A Fuse and Ignition Switch
IGN-A Fuse and Ignition Switch
Power and Grounding Components
Power Distribution Schematics
UPFITTER-BATT and UPFITTER-ACCY Fuse
Battery, Generator, Starter Solenoid, and Underhood Fuse BLock