GM Service Manual Online
For 1990-2009 cars only
Makes
🢒
Chevrolet
🢒
2000
🢒
Astro - 2WD
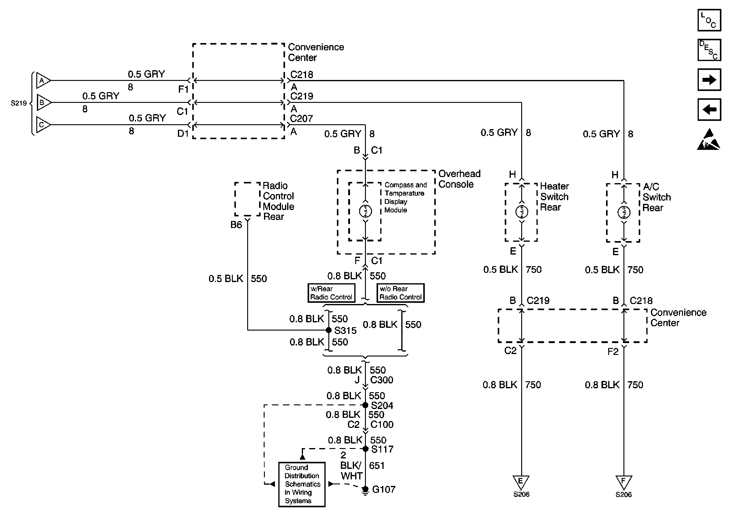
🢒 Overhead Console, Convenience Center
Overhead Console, Convenience Center
Overhead Console, Convenience Center
Lighting Systems Components
Interior Lights Dimming Circuit Description
Dimming Rheostat
Headlamp and Panel Dimmer Switch
Lighting Systems Schematic Icons
Headlamp and Panel Dimmer Switch
Headlamp and Panel Dimmer Switch
Headlamp and Panel Dimmer Switch
G105 and G107
Headlamp and Panel Dimmer Switch
Headlamp and Panel Dimmer Switch
Lighting Systems Schematic Icons