GM Service Manual Online
For 1990-2009 cars only
Makes
🢒
Chevrolet
🢒
2000
🢒
Astro - 2WD
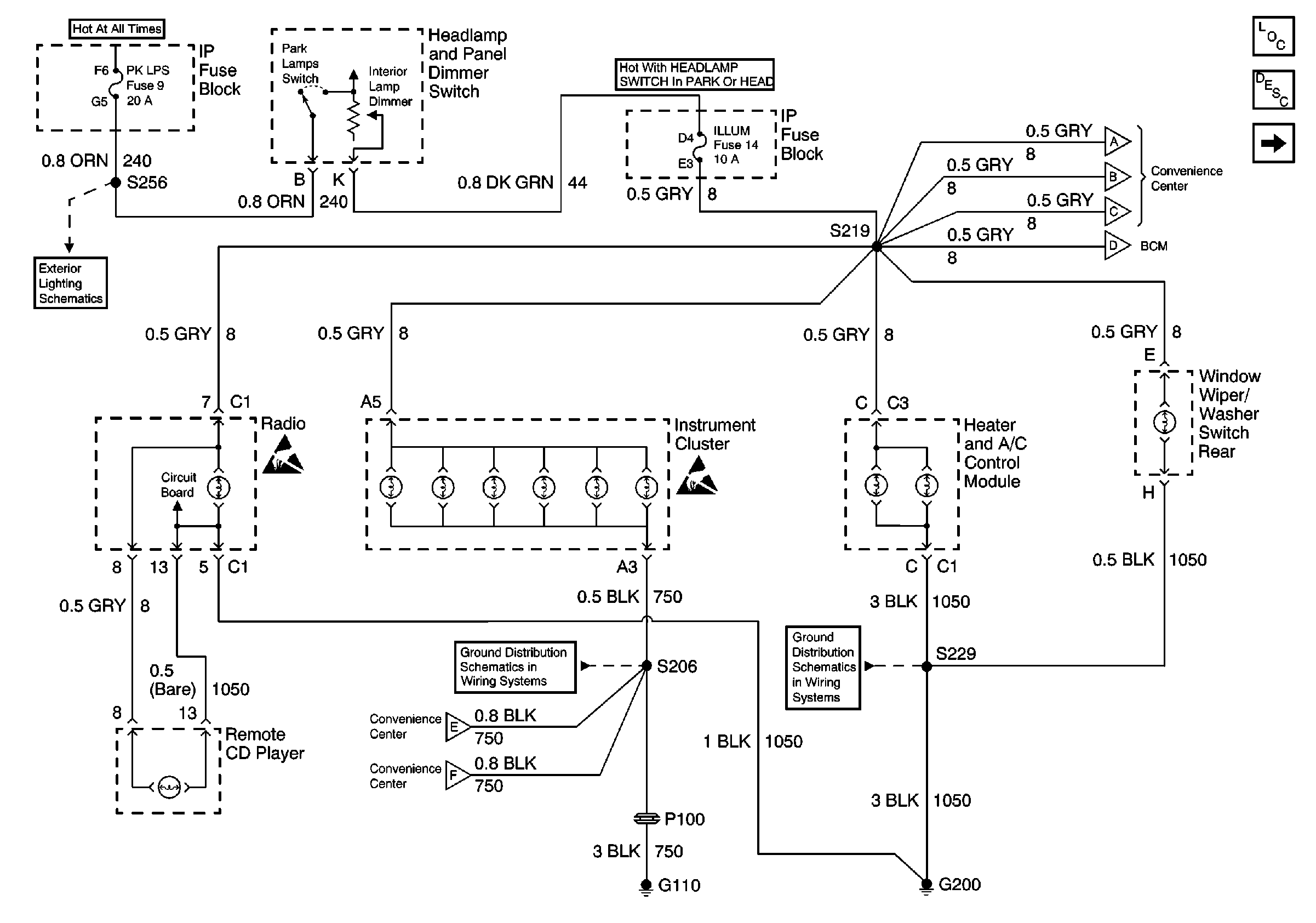
🢒 Headlamp and Panel Dimmer Switch
Headlamp and Panel Dimmer Switch
Headlamp and Panel Dimmer Switch
Lighting Systems Components
Interior Lights Dimming Circuit Description
Overhead Console, Convenience Center
Turn Indicators, Park/Turn Signal Lamps, Front Side Marker Lamps
G110 (1 of 2)
G200 (1 of 2)
Overhead Console, Convenience Center
Overhead Console, Convenience Center
Overhead Console, Convenience Center
Overhead Console, Convenience Center
Overhead Console, Convenience Center
Dimming Rheostat
Lighting Systems Schematic Icons
Lighting Systems Schematic Icons