GM Service Manual Online
For 1990-2009 cars only
Makes
🢒
Chevrolet
🢒
2001
🢒
Astro - 2WD
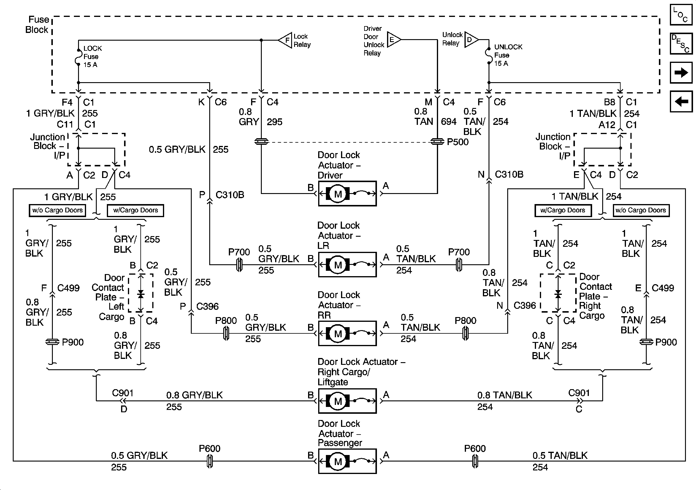
🢒 Door Lock Actuators
Door Lock Actuators
Door Lock Actuators
Master Electrical Component List
Power Door Locks Description and Operation
Ignition Key Alarm Switch and Vehicle Speed Signal
BCM, Door Lock Switches, Lock and Unlock Switches, G203
BCM, Door Lock Switches, Lock and Unlock Switches, G203
BCM, Door Lock Switches, Lock and Unlock Switches, G203
BCM, Door Lock Switches, Lock and Unlock Switches, G203