GM Service Manual Online
For 1990-2009 cars only
Makes
🢒
Chevrolet
🢒
2001
🢒
Astro - 2WD
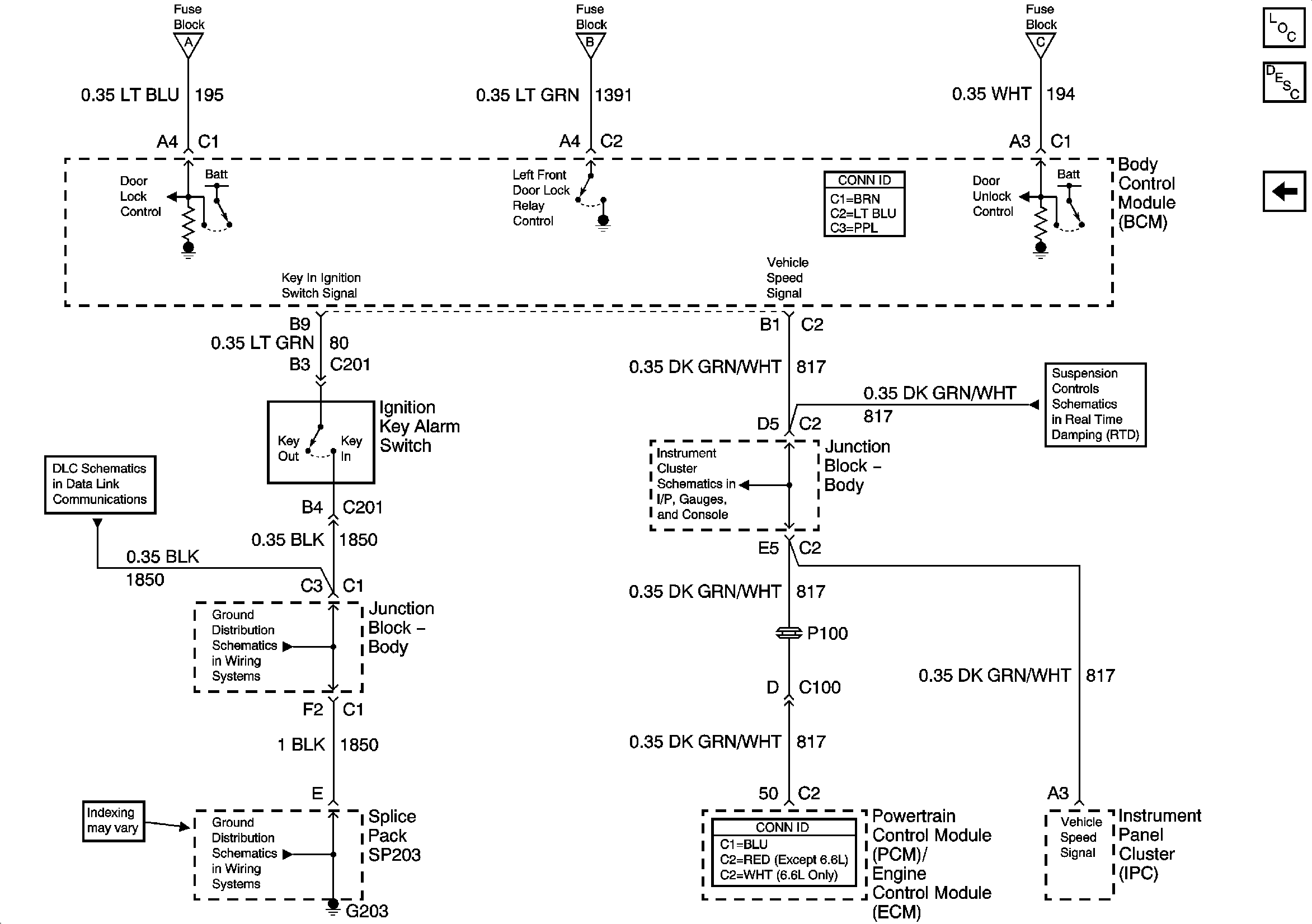
🢒 Ignition Key Alarm Switch and Vehicle Speed Signal
Ignition Key Alarm Switch and Vehicle Speed Signal
Ignition Key Alarm Switch and Vehicle Speed Signal
Master Electrical Component List
Power Door Locks Description and Operation
Door Lock Actuators
BCM, Door Lock Switches, Lock and Unlock Switches, G203
BCM, Door Lock Switches, Lock and Unlock Switches, G203
BCM, Door Lock Switches, Lock and Unlock Switches, G203
SP205
G203 - 4 of 4 - Utility and Uplevel Pickup
G203 - 1 of 4
Engine Data Sensors - MAF and VSS
Steering Wheel Speed/Position Sensor and EVO Solenoid