GM Service Manual Online
For 1990-2009 cars only
Makes
🢒
Chevrolet
🢒
2001
🢒
Astro - 2WD
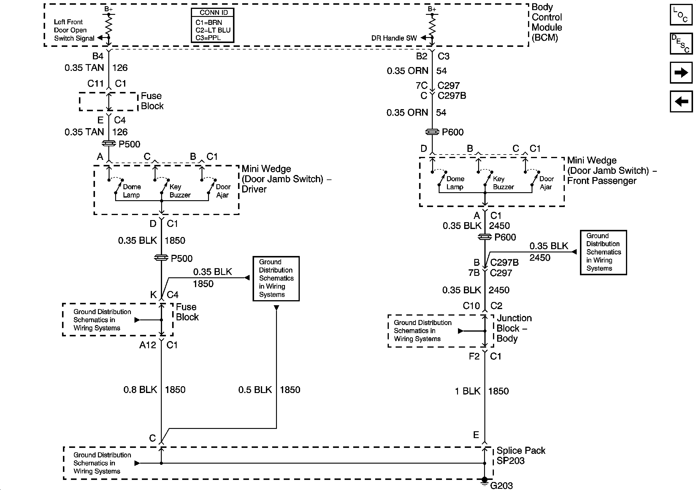
🢒 Mini Wedge (Door Jamb Switches) - Base Pickup
Mini Wedge (Door Jamb Switches) - Base Pickup
Mini Wedge (Door Jamb Switches) - Base Pickup
Master Electrical Component List
Body Control System Description and Operation
Mini Wedge (Door Jamb Switches) - Uplevel Pickup
Controlled/Monitored Subsystem References
G203 - 2 of 4
G203 - 2 of 4
G203 - 3 of 4 - Base Pickup
G203 - 3 of 4 - Base Pickup
G203 - 1 of 4
G203 - 1 of 4