GM Service Manual Online
For 1990-2009 cars only
Makes
🢒
Chevrolet
🢒
2001
🢒
Astro - 2WD
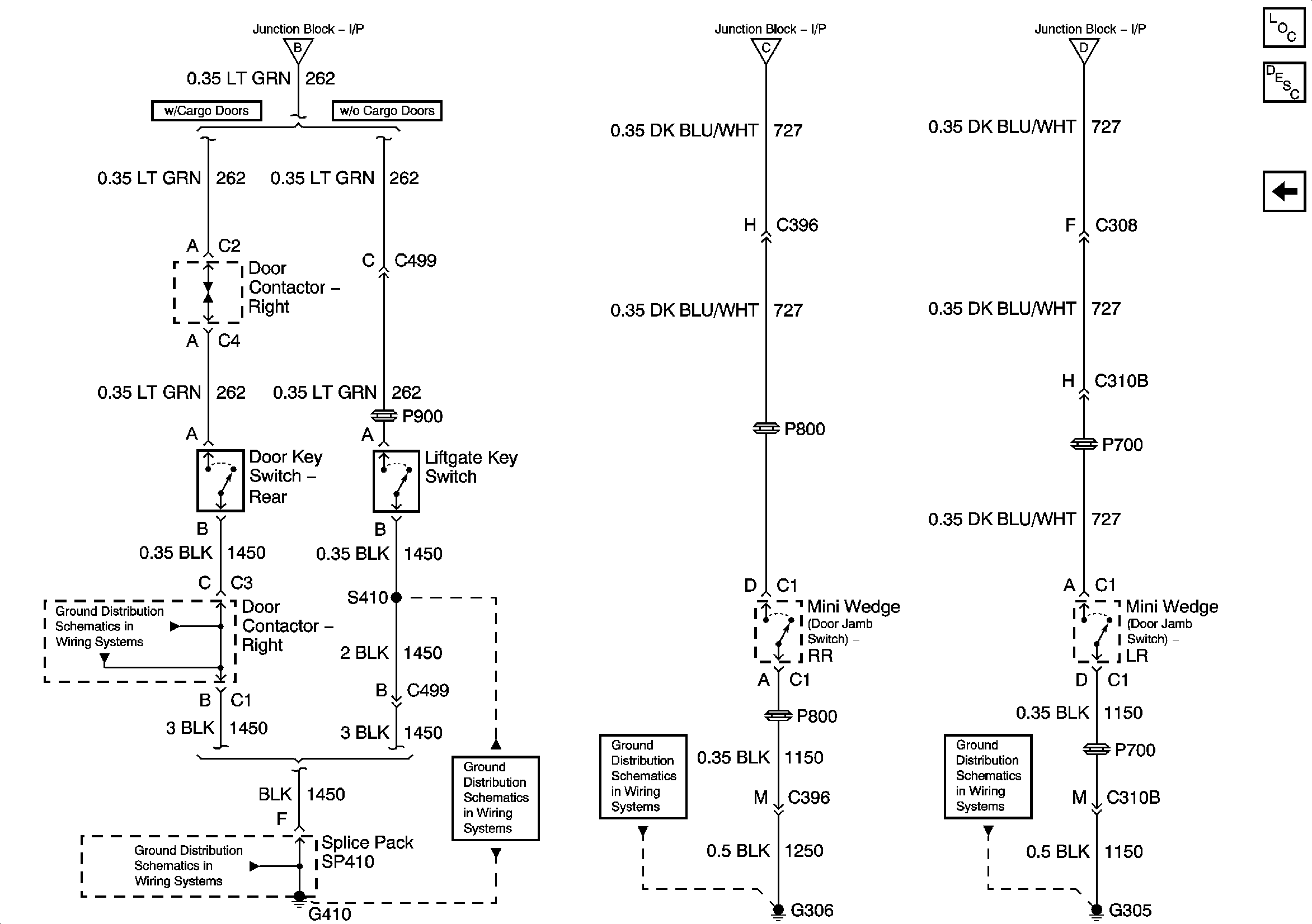
🢒 Door Key Switches, Mini Wedge (Door Jamb Switches)-Rear
Door Key Switches, Mini Wedge (Door Jamb Switches)-Rear
Door Key Switches, Mini Wedge (Door Jamb Switches) - Rear
Master Electrical Component List
Body Control System Description and Operation
Cargo Door Jamb Switches
G410 - 2 of 2
G410 - 1 of 2
G410 - 2 of 2
G305 and G306
G305 and G306
Mini Wedge (Door Jamb Switches) - Uplevel Utility
Mini Wedge (Door Jamb Switches) - Uplevel Utility
Mini Wedge (Door Jamb Switches) - Uplevel Utility