GM Service Manual Online
For 1990-2009 cars only
Makes
🢒
Chevrolet
🢒
2001
🢒
Astro - 2WD
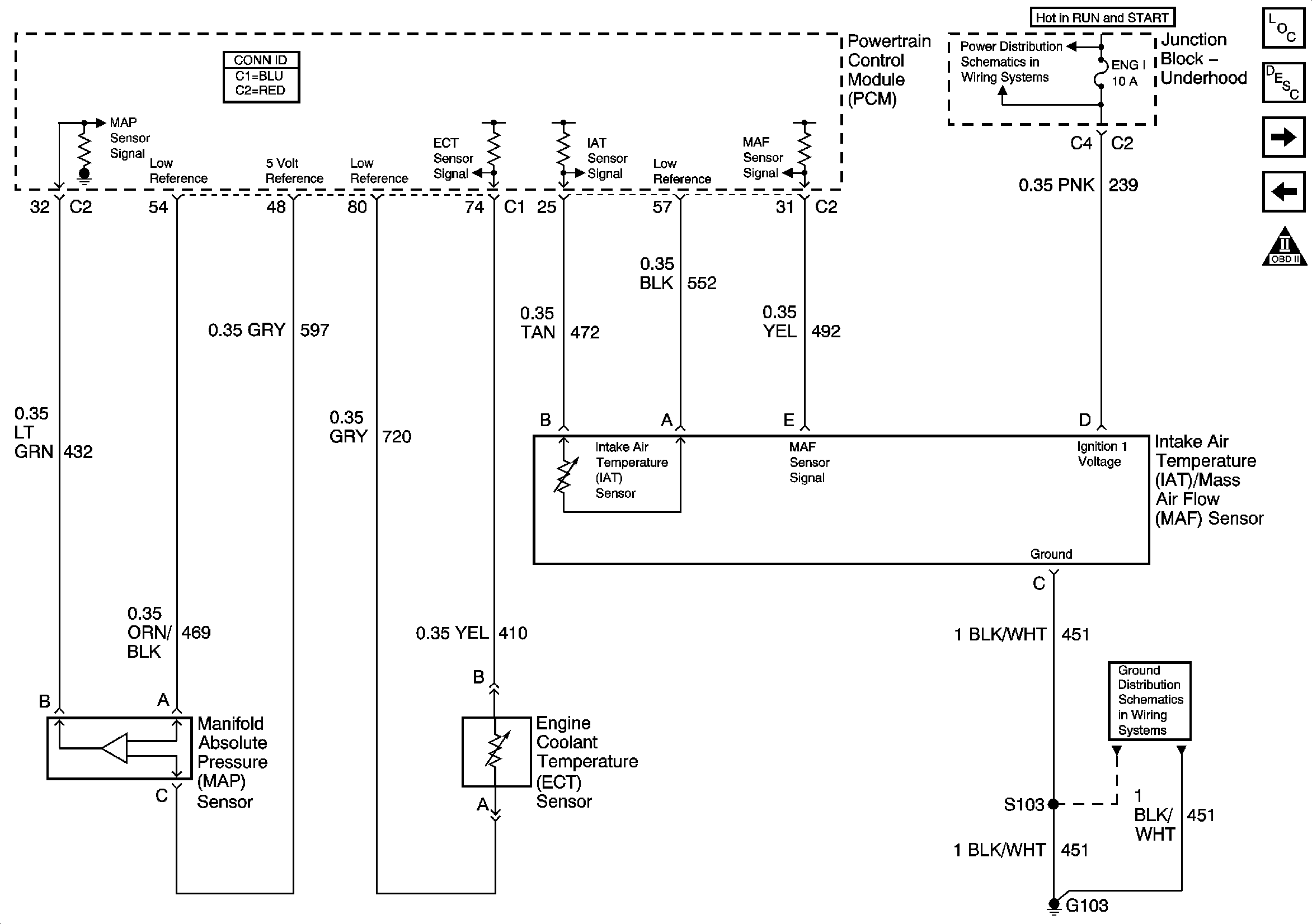
🢒 PCM, ENG 1 Fuse, Engine Coolant Temperature (ECT) Sensor, and MAP Sensor
PCM, ENG 1 Fuse, Engine Coolant Temperature (ECT) Sensor, and MAP Sensor
PCM, ENG 1 Fuse, Engine Coolant Temperature (ECT) Sensor and MAP Sensor
Master Electrical Component List
Throttle Actuator Control (TAC) System Description
Engine Data Sensors - VSS
Power, Ground, and IPC
OBD II Symbol Description Notice
IGNITION, RUN, and START Bus Bar
G103 and G105 - Gas