GM Service Manual Online
For 1990-2009 cars only
Makes
🢒
Chevrolet
🢒
2001
🢒
Astro - 2WD
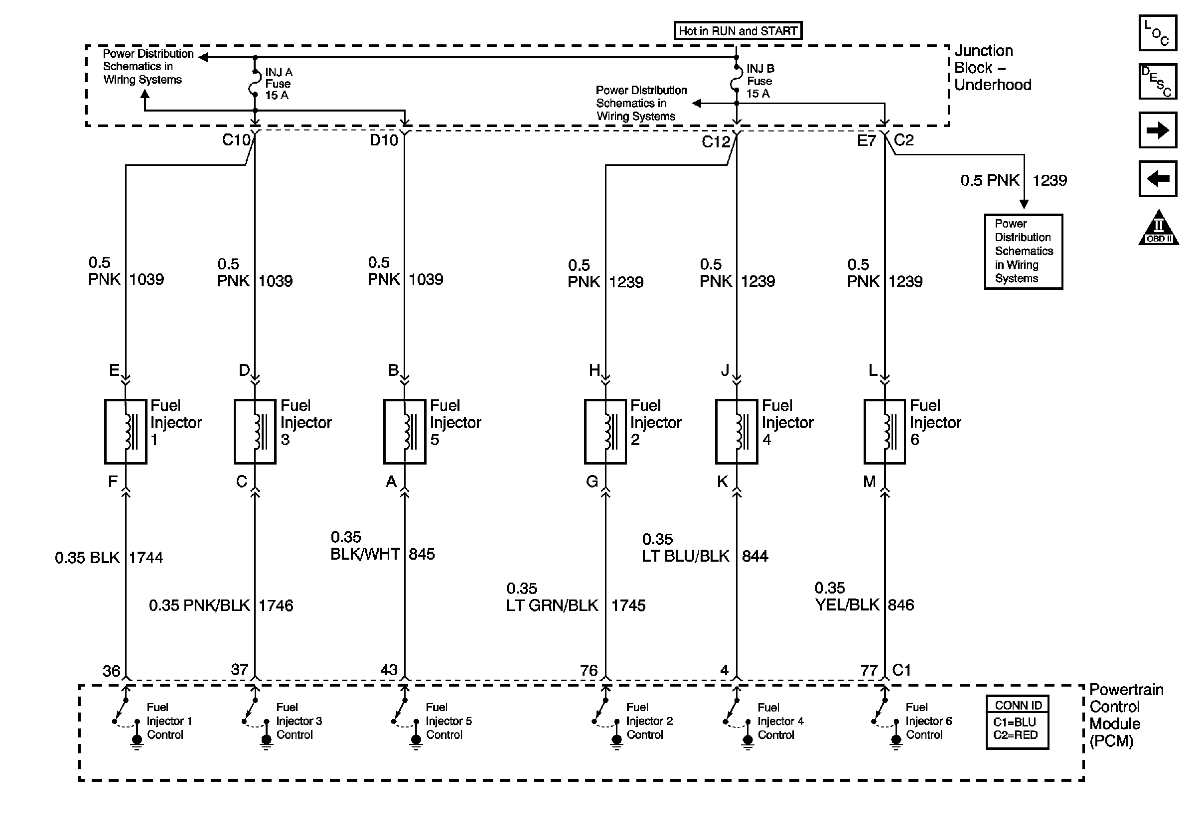
🢒 Injectors
Injectors
Injectors
Engine Controls Component Views
Powertrain Control Module Description
Fuel Pump Controls
Ignition Control Sensors
OBD II Symbol Description Notice
IGN 1 Relay, and ECM 1, ETC, INJA, INJB Fuses - Gas
IGN 1 Relay, and ECM 1, ETC, INJA, INJB Fuses - Gas
IGN 1 Relay, and ECM 1, ETC, INJA, INJB Fuses - Gas