GM Service Manual Online
For 1990-2009 cars only
Makes
🢒
Chevrolet
🢒
2001
🢒
Astro - 2WD
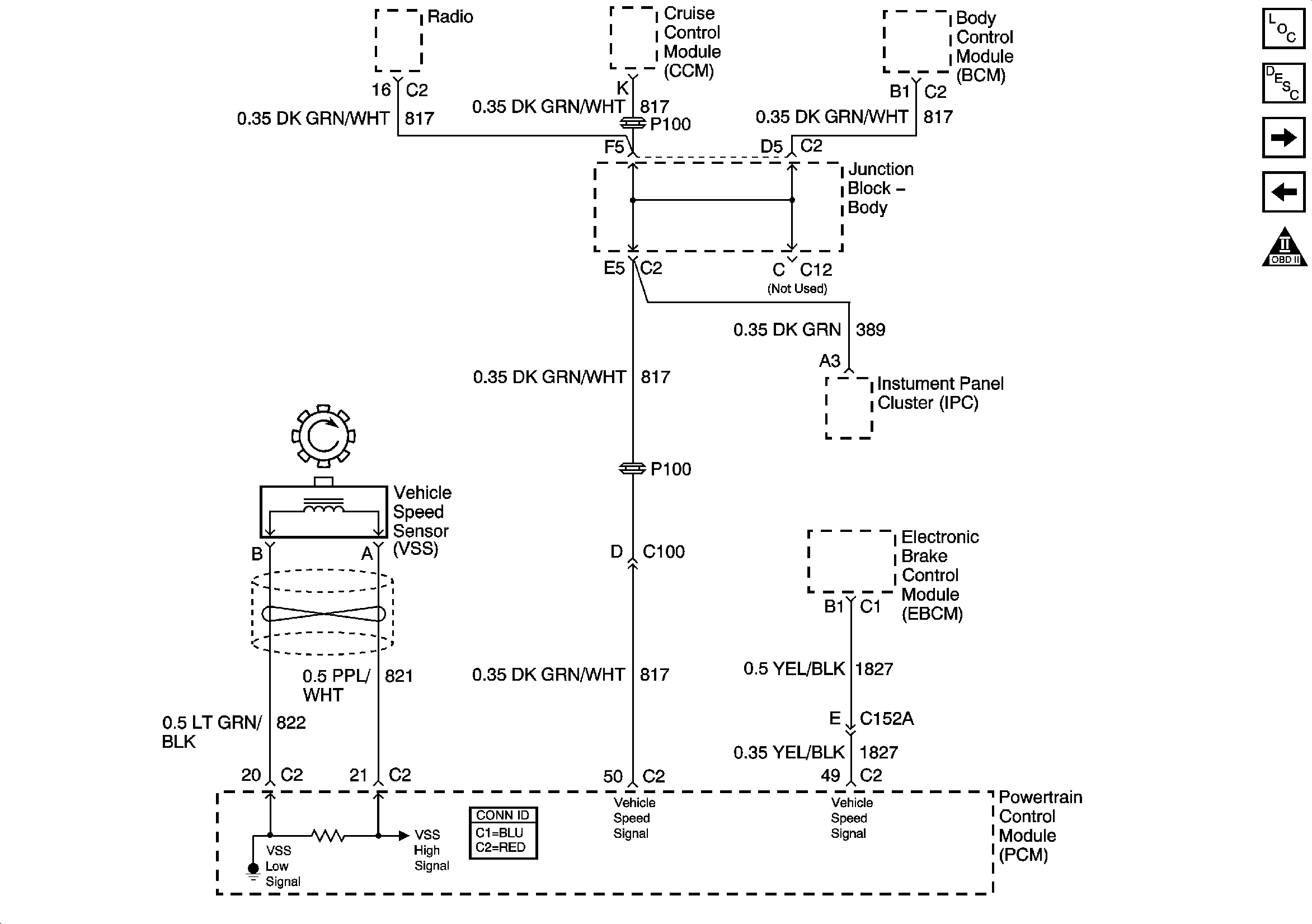
🢒 Vehicle Speed
Vehicle Speed
Vehicle Speed
Engine Controls Component Views
Powertrain Control Module Description
Heated Oxygen Sensor (HO2S)
Secondary AIR Controls
OBD II Symbol Description Notice