GM Service Manual Online
For 1990-2009 cars only
Makes
🢒
Chevrolet
🢒
2001
🢒
Astro - 2WD
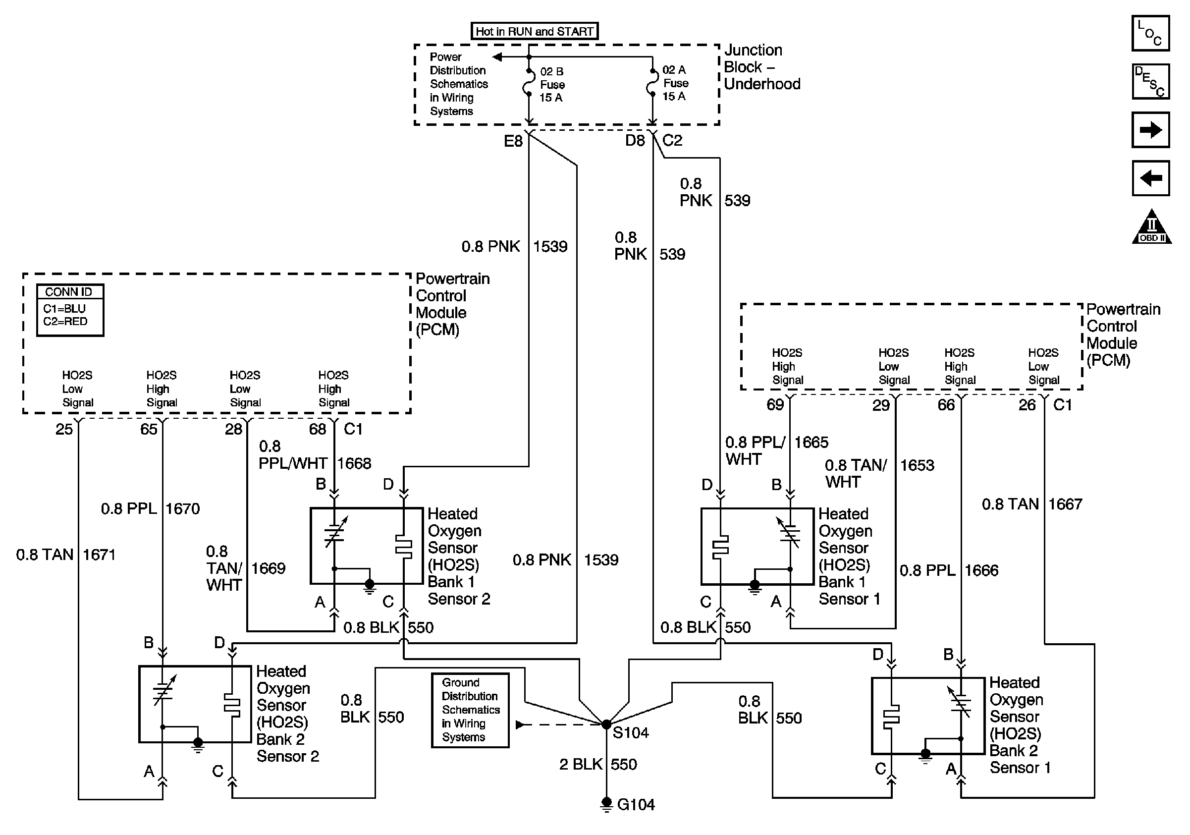
🢒 Heated Oxygen Sensor (HO2S)
Heated Oxygen Sensor (HO2S)
Heated Oxygen Sensor (HO2S)
Engine Controls Component Views
Powertrain Control Module Description
EVAP Controls and EGR
Vehicle Speed
OBD II Symbol Description Notice
IGNITION, RUN, and START Bus Bar
G104 - Gas