GM Service Manual Online
For 1990-2009 cars only

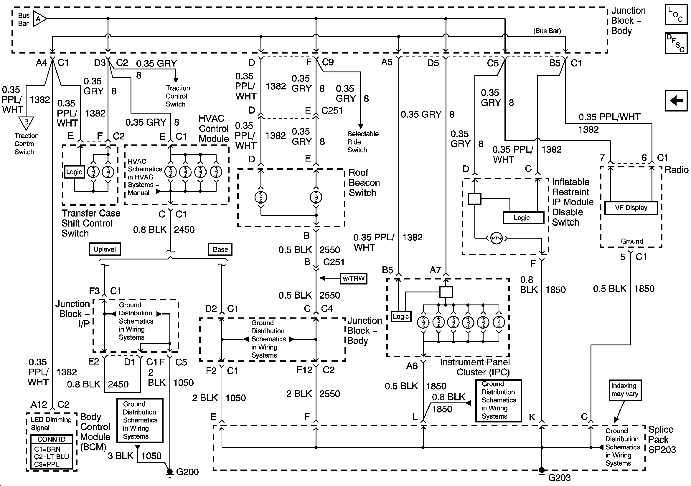
Transfer Case Shift Control, Roof Beacon, and Inflatable Restraint IP Module Disable Switches, HVAC Control Module, IPC, and Radio

Transfer Case Shift Control, Roof Beacon, and Inflatable Restraint IP Module Disable Switches, HVAC Control Module, IPC, and Radio


Object Number: 706077  Size: FS
Master Electrical Component List
Interior Lighting Systems Description and Operation
Dimming Control, Traction Control, Fog Lamp and Selectable Ride Switches
Dimming Control, Traction Control, Fog Lamp and Selectable Ride Switches
Dimming Control, Traction Control, Fog Lamp and Selectable Ride Switches
Dimming Control, Traction Control, Fog Lamp and Selectable Ride Switches
Dimming Control, Traction Control, Fog Lamp and Selectable Ride Switches
G200 - 1 of 2
G203 - 3 of 4 - Base Pickup
G200 - 1 of 2
G203 - 1 of 4
G203 - 1 of 4