GM Service Manual Online
For 1990-2009 cars only
Makes
🢒
Chevrolet
🢒
2001
🢒
Astro - 2WD
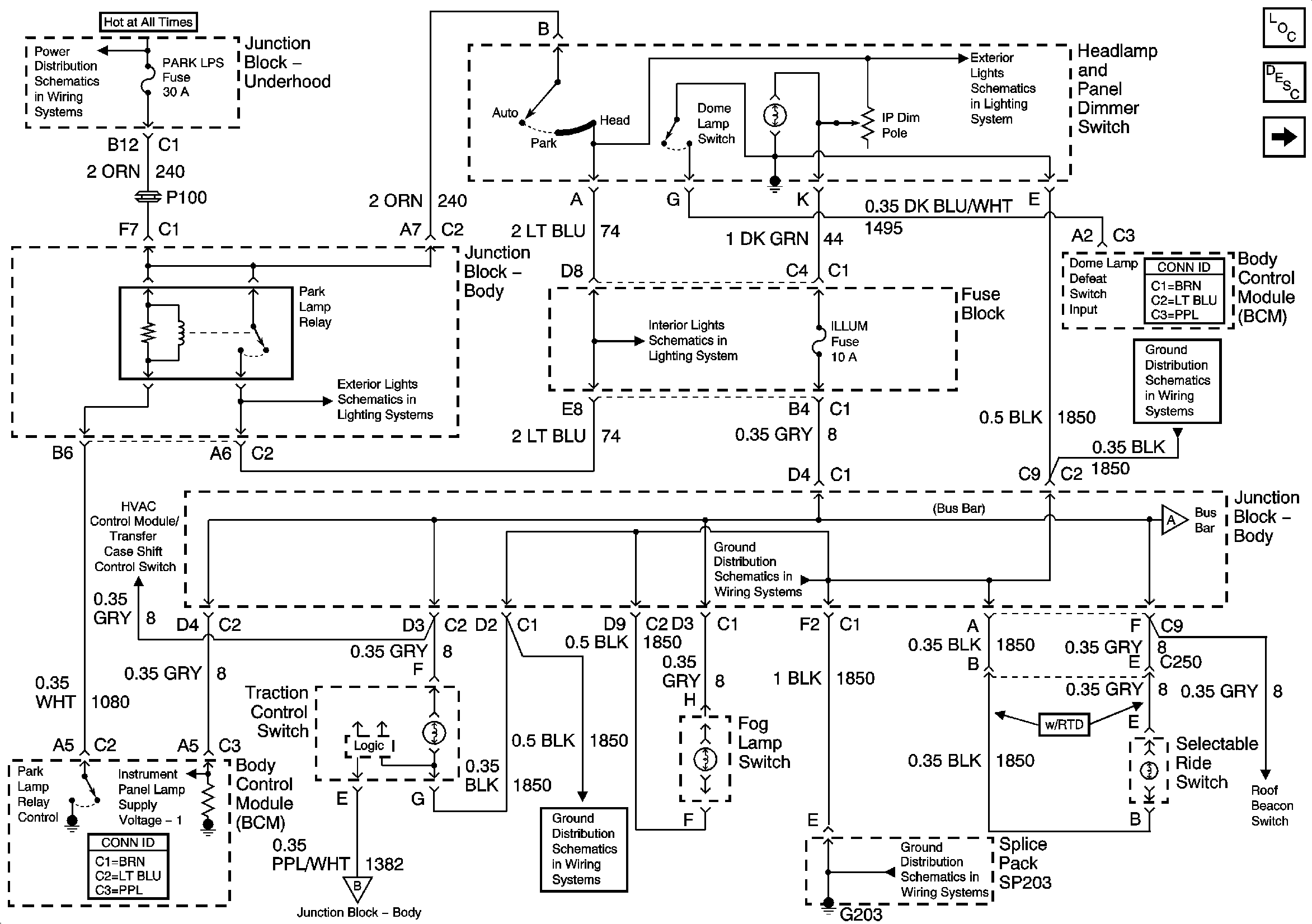
🢒 Dimming Control, Traction Control, Fog Lamp and Selectable Ride Switches
Dimming Control, Traction Control, Fog Lamp and Selectable Ride Switches
Dimming Control, Traction Control, Fog Lamp, and Selectable Ride Switches
Master Electrical Component List
Interior Lighting Systems Description and Operation
Transfer Case Shift Control, Roof Beacon, and Inflatable Restraint IP Module Disable Switches, HVAC Control Module, IPC, and Radio
B+ Bus Bar
Park Lamp Relay, FR PRK, TRL PRK, LR PRK, and RR PRK Fuses
Park Lamp Relay, FR PRK, TRL PRK, LR PRK, and RR PRK Fuses
Window/Door Lock Switches, Outside Rearview Mirror Switch, Heated Seat Switch and Ashtray Lamp
G203 - 3 of 4 - Base Pickup
G203 - 3 of 4 - Base Pickup
Transfer Case Shift Control, Roof Beacon, and Inflatable Restraint IP Module Disable Switches, HVAC Control Module, IPC, and Radio
Speed Sensor Signals and Traction Control Switch - w/Traction Assist
Transfer Case Shift Control, Roof Beacon, and Inflatable Restraint IP Module Disable Switches, HVAC Control Module, IPC, and Radio
G203 - 3 of 4 - Base Pickup
G203 - 1 of 4