GM Service Manual Online
For 1990-2009 cars only
Makes
🢒
Chevrolet
🢒
2001
🢒
Astro - 2WD
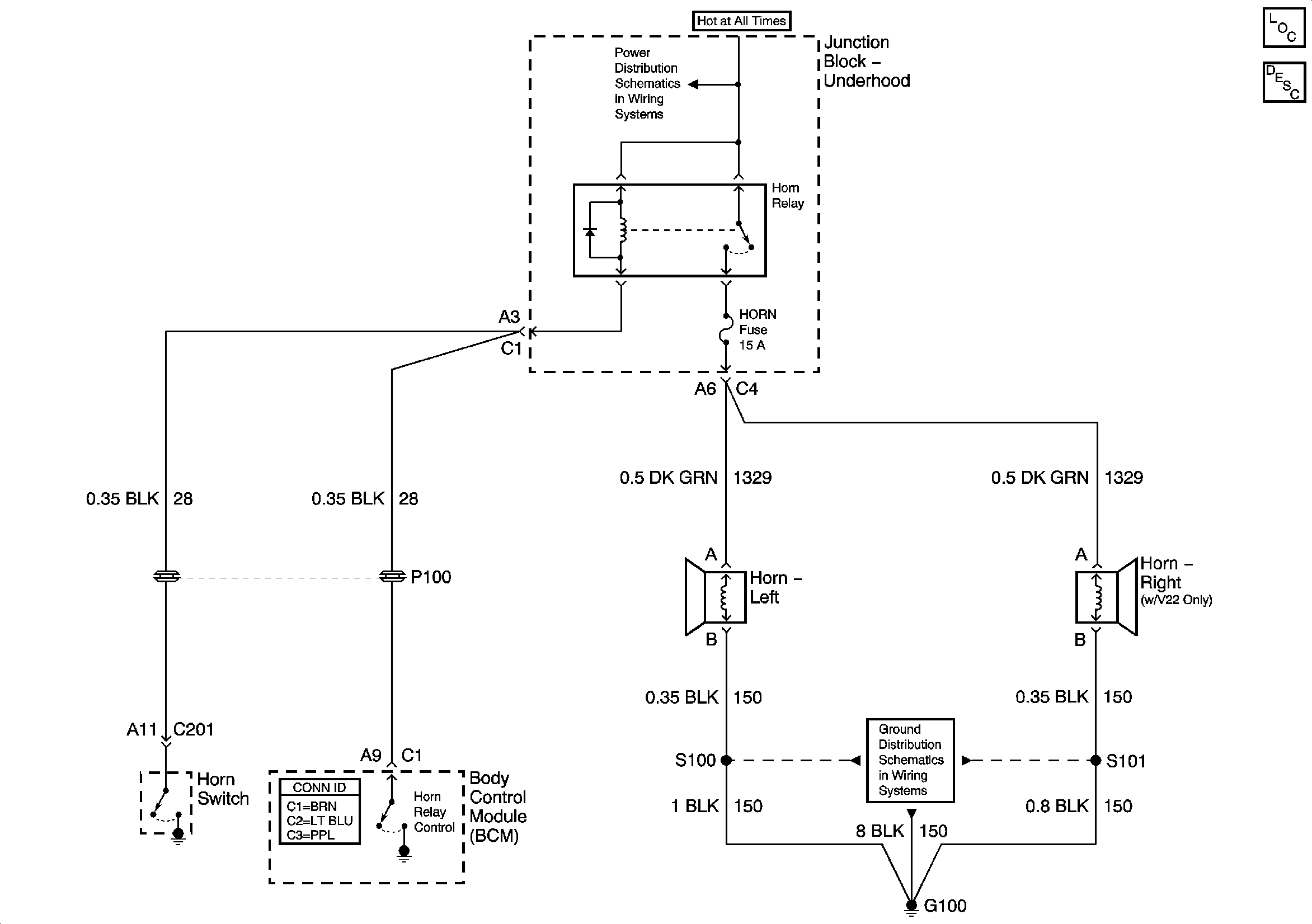
🢒 Horn Schematics
Horn Schematics
Master Electrical Component List
Horns System Description and Operation
B+ Bus Bar
G100 and G110