GM Service Manual Online
For 1990-2009 cars only
Makes
🢒
Chevrolet
🢒
2001
🢒
Astro - 2WD
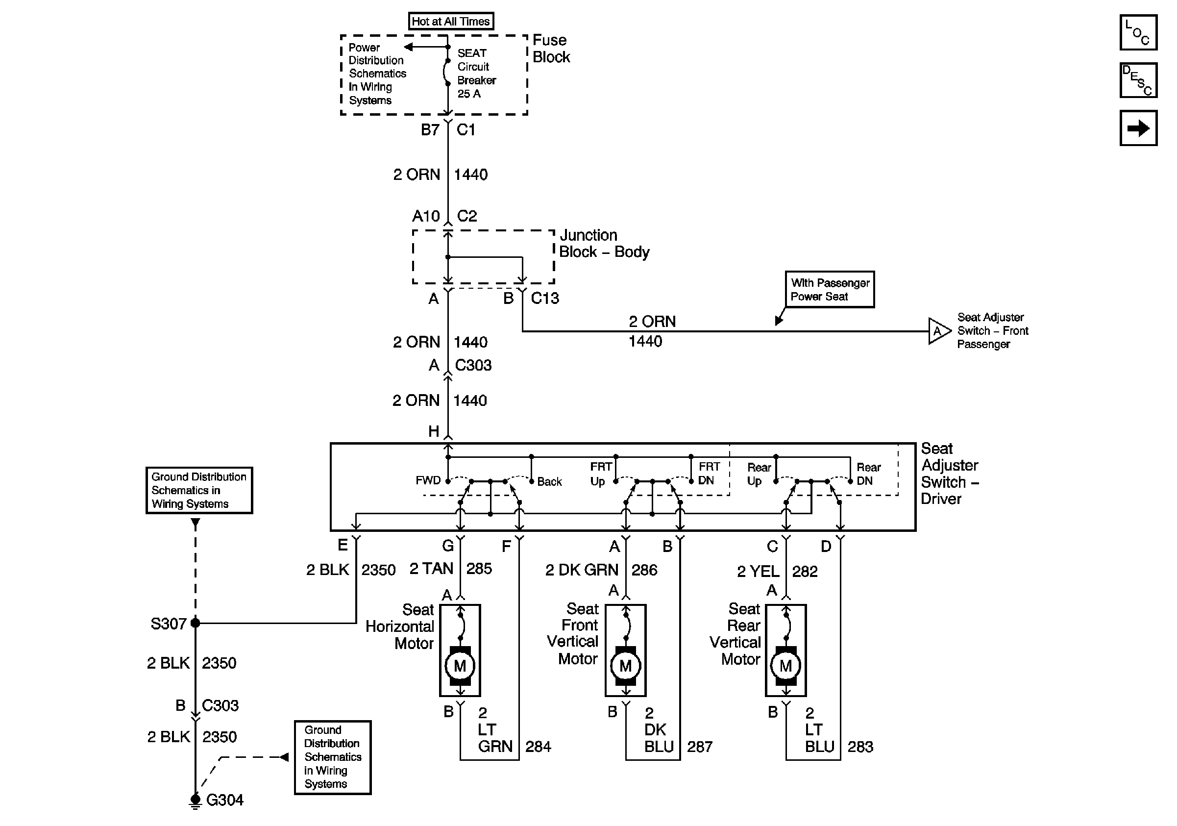
🢒 Seat Adjuster Switch - Driver, Seat CB and Seat Horizontal Motor
Seat Adjuster Switch - Driver, Seat CB and Seat Horizontal Motor
Driver Controls
Master Electrical Component List
Power Seats System Description and Operation
Seat Adjuster Switch - Front Passenger, Seat Rear Vertical Motor and Seat Front Vertical Motor
SEATS Circuit Breaker and MIR/LOCK Fuse
Seat Adjuster Switch - Front Passenger, Seat Rear Vertical Motor and Seat Front Vertical Motor
G304
G304