GM Service Manual Online
For 1990-2009 cars only
Makes
🢒
Chevrolet
🢒
2001
🢒
Astro - 2WD
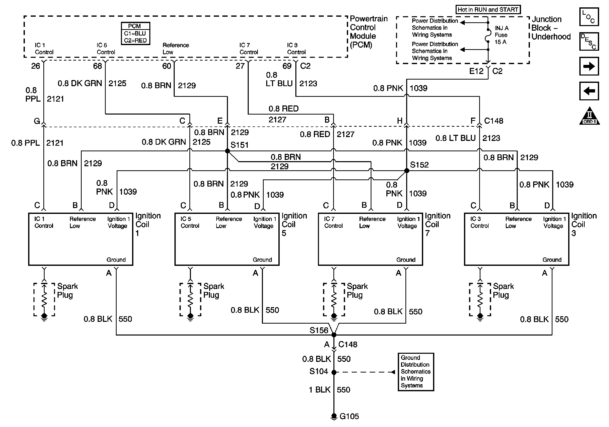
🢒 Ignition Controls - Ignition System Coils 1, 3, 5, 7
Ignition Controls - Ignition System Coils 1, 3, 5, 7
Ignition Controls - Ignition System Coils 1, 3, 5, 7
Master Electrical Component List
Powertrain Control Module Description
Ignition Controls - Ignition System Coils 2, 4, 6, 8
Engine Data Sensors - Electronic Throttle Controls, Accelerator Pedal Position Sensor
OBD II Symbol Description Notice
IGN 1 Relay, and ECM 1, ETC, INJA, INJB Fuses - Gas
G103 and G105 - Gas