GM Service Manual Online
For 1990-2009 cars only
Makes
🢒
Chevrolet
🢒
2001
🢒
Astro - 2WD
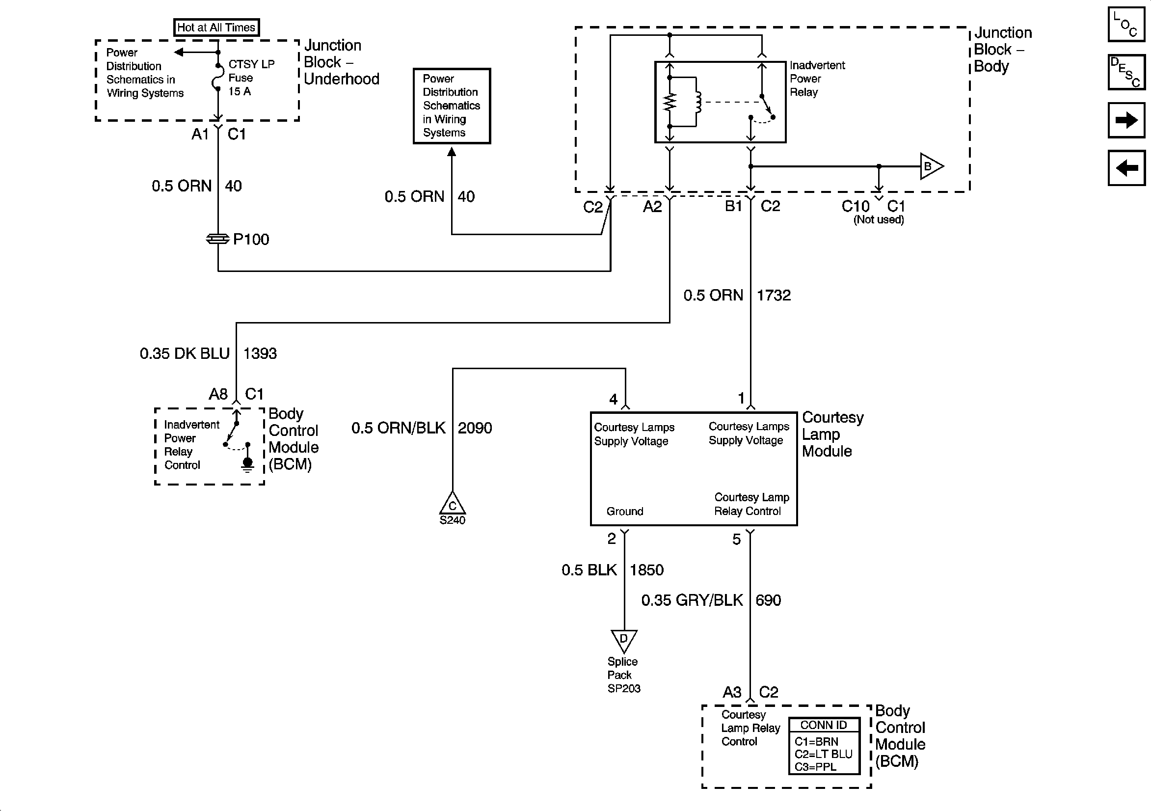
🢒 Inadvertent Power Relay, Courtesy Lamp Module, and CTSY LP Fuse - Luxury
Inadvertent Power Relay, Courtesy Lamp Module, and CTSY LP Fuse - Luxury
Inadvertent Power Relay, Courtesy Lamp Module, and CTSY LP Fuse - Luxury
Master Electrical Component List
Interior Lighting Systems Description and Operation
Door Courtesy Lamps and IP Courtesy Lamps - Luxury
Inadvertent Power Relay, Door Courtesy Lamps, IP Courtesy Lamps, and CTSY LP Fuse - Uplevel
B+ Bus Bar
ABS, HAZ LP, STUD 1, STUD 2, CTSY LP, and PARK LP Fuses
Vanity Mirror Lamps and Map Lamp Assemblies - Luxury
Door Courtesy Lamps and IP Courtesy Lamps - Luxury
PARK LPS Fuse, Parklamp Relay, Door Lock Switch-Driver, Heated Seat Switches, and Ashtray Lamp