GM Service Manual Online
For 1990-2009 cars only
Makes
🢒
Chevrolet
🢒
2001
🢒
Astro - 2WD
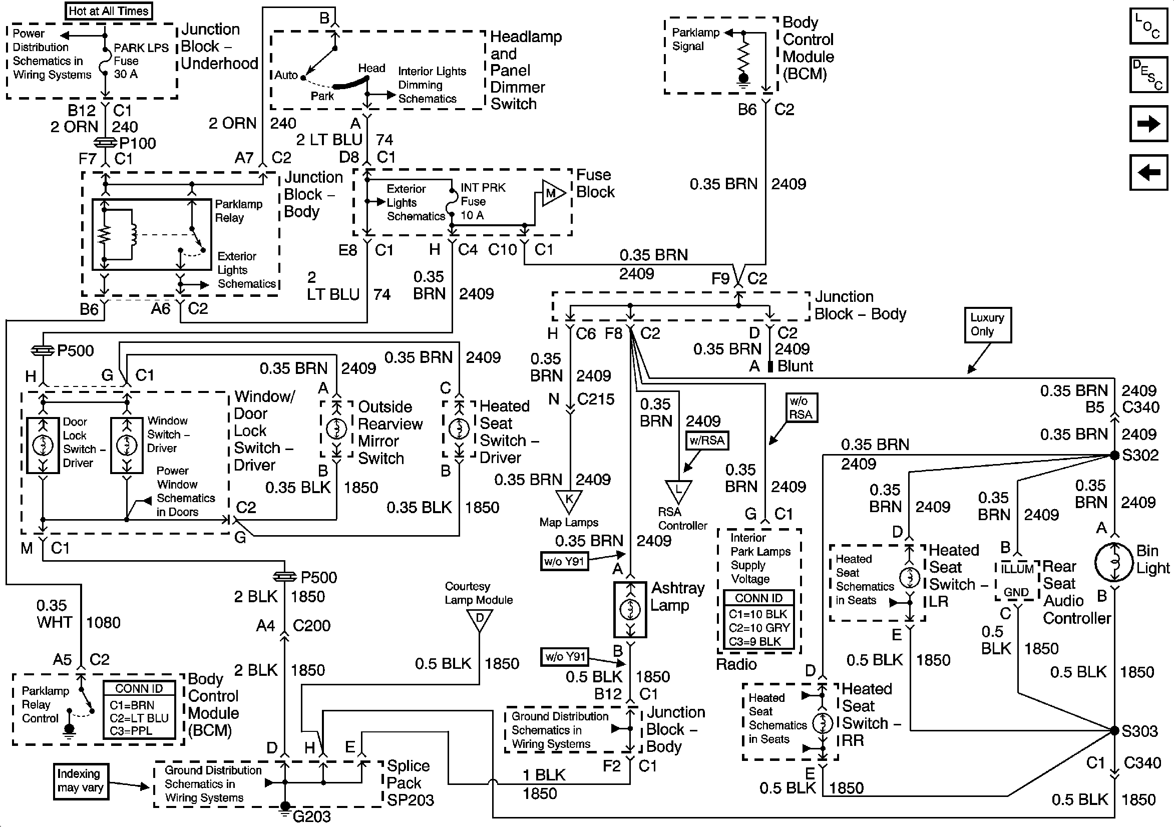
🢒 PARK LPS Fuse, Parklamp Relay, Door Lock Switch-Driver, Heated Seat Switches, and Ashtray Lamp
PARK LPS Fuse, Parklamp Relay, Door Lock Switch-Driver, Heated Seat Switches, and Ashtray Lamp
PARK LPS Fuse, Parklamp Relay, Door Lock Switch-Driver, Heated Seat Switches, and Ashtray Lamp
Master Electrical Component List
Interior Lighting Systems Description and Operation
Mini Wedge (Door Jamb Switch) LF and Mini Wedge (Door Jamb Switch) RF
Courtesy Lamp Relay, Underhood Lamp, and IP Compartment Lamp
B+ Bus Bar
Dimming Control, Rear Wiper/Washer, Roof Beacon, and Selectable Ride Switches
PARK LPS Fuse, Headlamp Switch, FR PRK, TRL PRK, LR PRK and RR PRK Fuses
INT PRK Fuse, Roof Marker and Clearance Lamps
Door Lock Switch - Front Passenger, Window Switches LR/RR, and Sunroof Switch
Window Switches, Window Motors
Rear Seat Audio Controller and Radio
Inadvertent Power Relay, Courtesy Lamp Module, and CTSY LP Fuse - Luxury
G203 - 1 of 4
G203 - 4 of 4 - Utility and Uplevel Pickup
Right Rear Heated Seats
Left Rear Heated Seats
Vanity Mirror Lamps and Map Lamp Assemblies - Luxury