GM Service Manual Online
For 1990-2009 cars only
Makes
🢒
Chevrolet
🢒
2001
🢒
Astro - 2WD
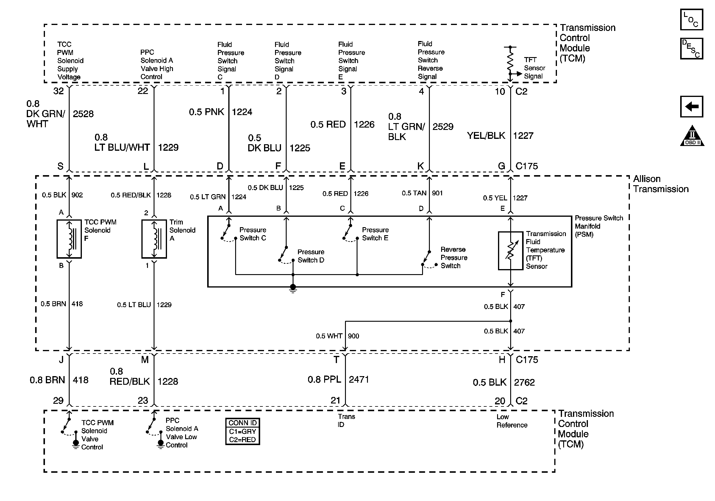
🢒 TCC Control, Pressure Switch, and Temp Sensor Signal
TCC Control, Pressure Switch, and Temp Sensor Signal
TCC Control, Pressure Switch, and Temp Sensor Signal
Master Electrical Component List
Electronic Component Description
Speed Sensor and Valve Control Circuits