GM Service Manual Online
For 1990-2009 cars only
Makes
🢒
Chevrolet
🢒
2001
🢒
Astro - 2WD
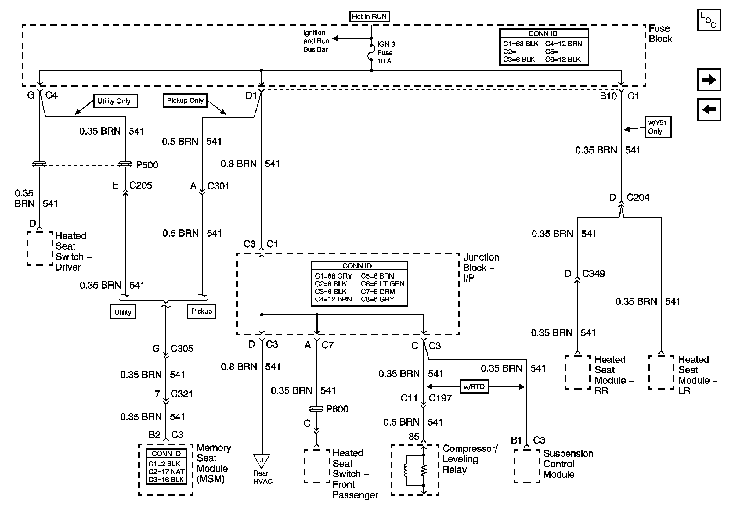
🢒 IGN 3 Fuse - 1 of 2
IGN 3 Fuse - 1 of 2
IGN 3 Fuse - 1 of 2
Master Electrical Component List
IGN 3 Fuse - 2 of 2
HDLP Relay, TBC, FOG LP, LT HDLP, and RT HDLP Fuses
IGNITION, RUN, ACCESSORY, and RAP Bus Bars, RAP #1 and RAP #2 Fuses
IGN 3 Fuse - 2 of 2