GM Service Manual Online
For 1990-2009 cars only
Makes
🢒
Chevrolet
🢒
2001
🢒
Astro - 2WD
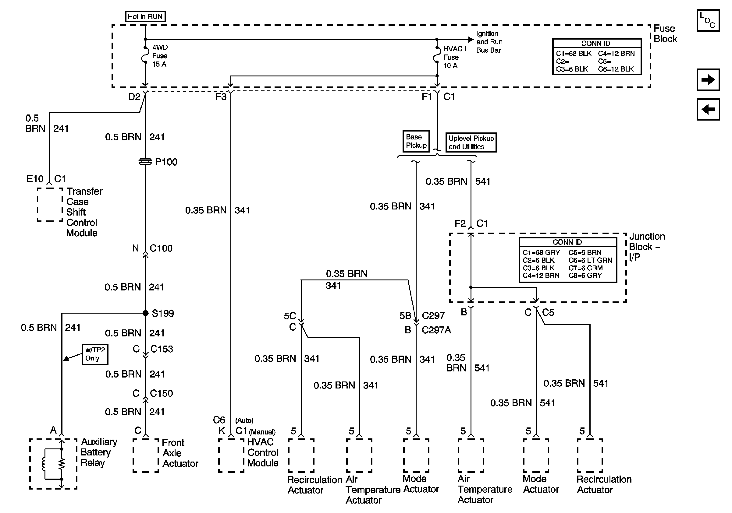
🢒 4WD and HVAC I Fuses
4WD and HVAC I Fuses
4WD and HVAC I Fuses
Master Electrical Component List
BRAKE, CRUISE, HTR A/C, RR WPR, WS WPR, and SEO ACCY Fuses
IGN 3 Fuse - 2 of 2
IGNITION, RUN, ACCESSORY, and RAP Bus Bars, RAP #1 and RAP #2 Fuses