GM Service Manual Online
For 1990-2009 cars only
Makes
🢒
Chevrolet
🢒
2001
🢒
Astro - 2WD
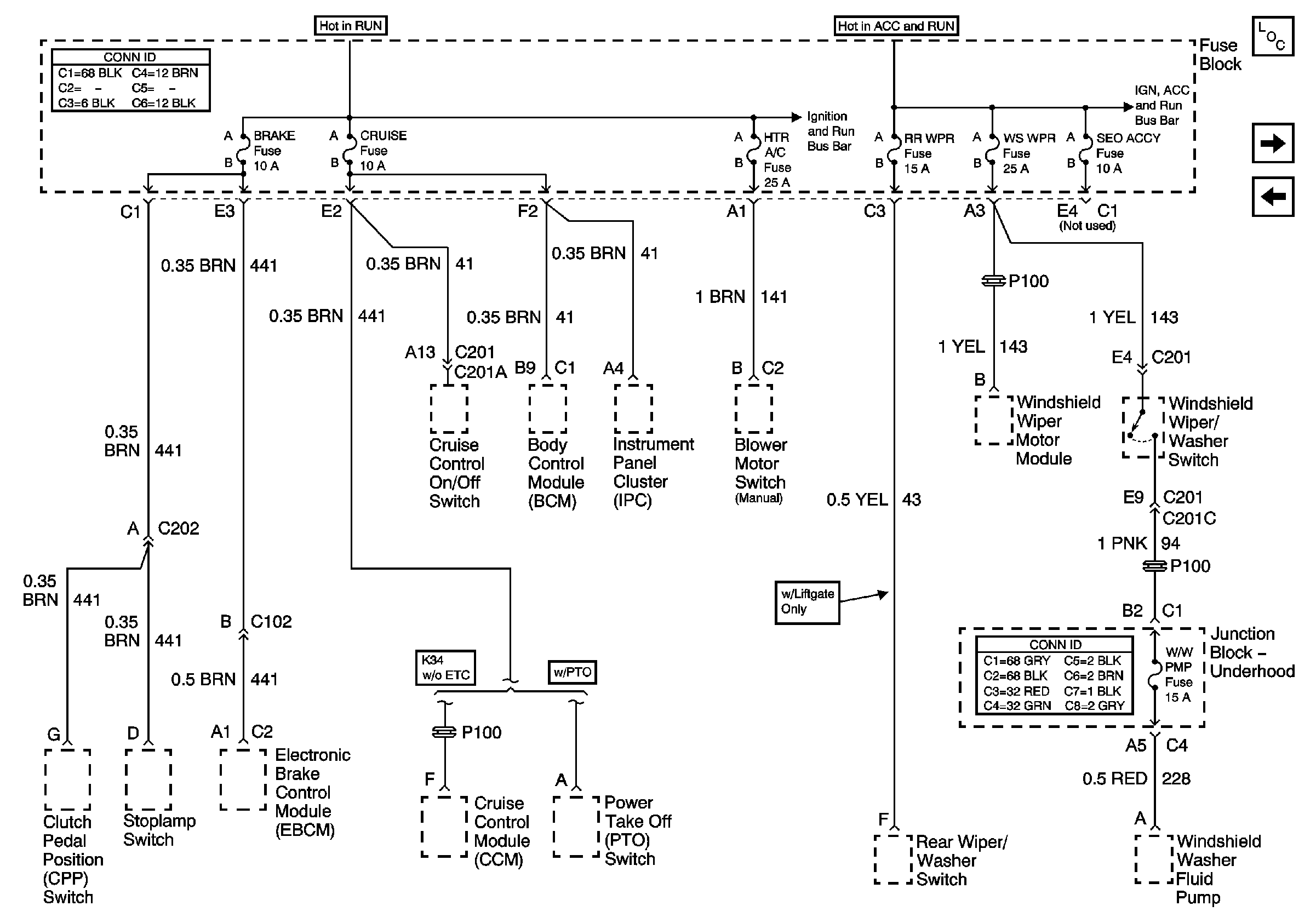
🢒 BRAKE, CRUISE, HTR A/C, RR WPR, WS WPR, and SEO ACCY Fuses
BRAKE, CRUISE, HTR A/C, RR WPR, WS WPR, and SEO ACCY Fuses
BRAKE, CRUISE, HTR A/C, RR WPR, WS WPR, and SEO ACCY Fuses
Master Electrical Component List
PWR WDO Circuit Breaker, RDO I, and RAP #2 Fuses - Pickup
4WD and HVAC I Fuses
IGNITION, RUN, ACCESSORY, and RAP Bus Bars, RAP #1 and RAP #2 Fuses
IGNITION, RUN, ACCESSORY, and RAP Bus Bars, RAP #1 and RAP #2 Fuses