GM Service Manual Online
For 1990-2009 cars only
Makes
🢒
Chevrolet
🢒
2001
🢒
Astro - 2WD
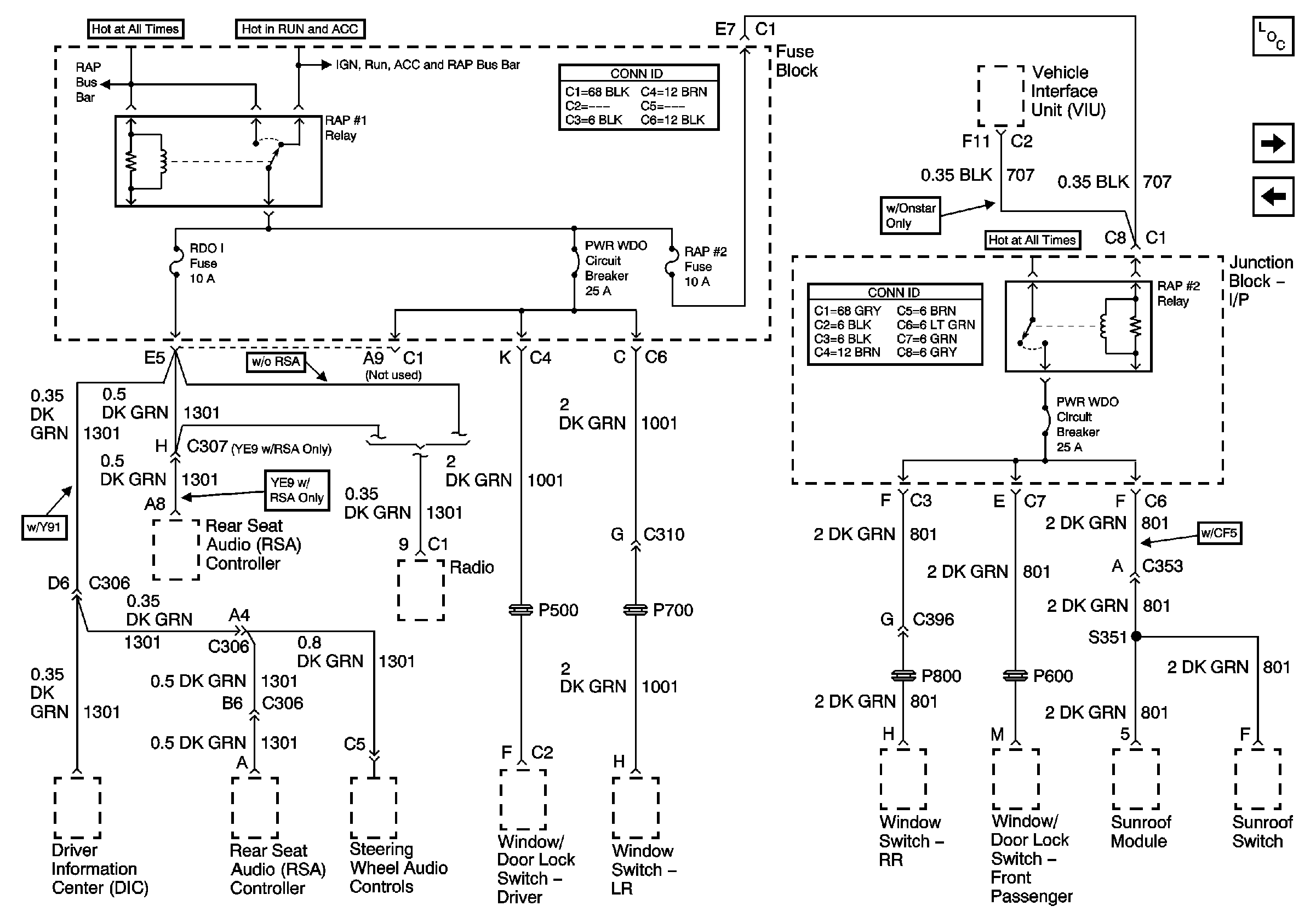
🢒 PWR WDO Circuit Breaker, RDO I, and RAP #2 Fuses - Utility
PWR WDO Circuit Breaker, RDO I, and RAP #2 Fuses - Utility
PWR WDO Circuit Breaker, RDO I, and RAP #2 Fuses - Utility
Master Electrical Component List
DR LOCK, UNLOCK JMPR, and UNLOCK Fuses - Base
PWR WDO Circuit Breaker, RDO I, and RAP #2 Fuses - Pickup
IGNITION, RUN, ACCESSORY, and RAP Bus Bars, RAP #1 and RAP #2 Fuses
IGNITION, RUN, ACCESSORY, and RAP Bus Bars, RAP #1 and RAP #2 Fuses