GM Service Manual Online
For 1990-2009 cars only
Makes
🢒
Chevrolet
🢒
2001
🢒
Astro - 2WD
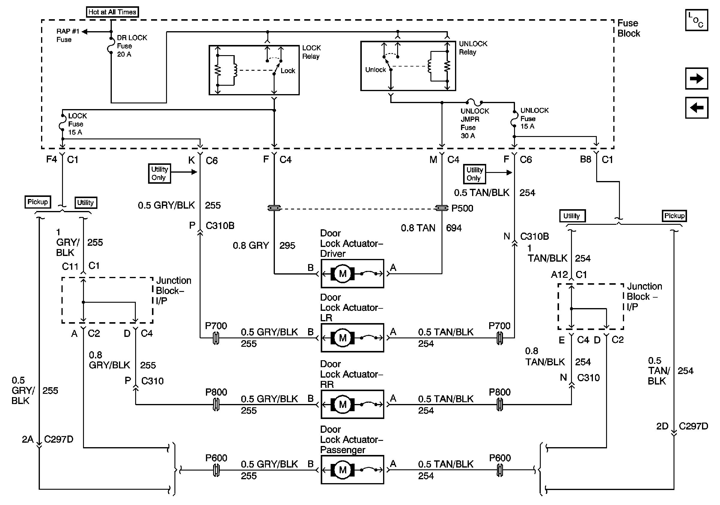
🢒 DR LOCK, UNLOCK JMPR, and UNLOCK Fuses - Base
DR LOCK, UNLOCK JMPR, and UNLOCK Fuses - Base
DR LOCK, UNLOCK JMPR, and UNLOCK Fuses - Base
Master Electrical Component List
DR LOCK and LOCK Fuses - Uplevel
PWR WDO Circuit Breaker, RDO I, and RAP #2 Fuses - Utility
IGNITION, RUN, ACCESSORY, and RAP Bus Bars, RAP #1 and RAP #2 Fuses