GM Service Manual Online
For 1990-2009 cars only
Makes
🢒
Chevrolet
🢒
2001
🢒
Astro - 2WD
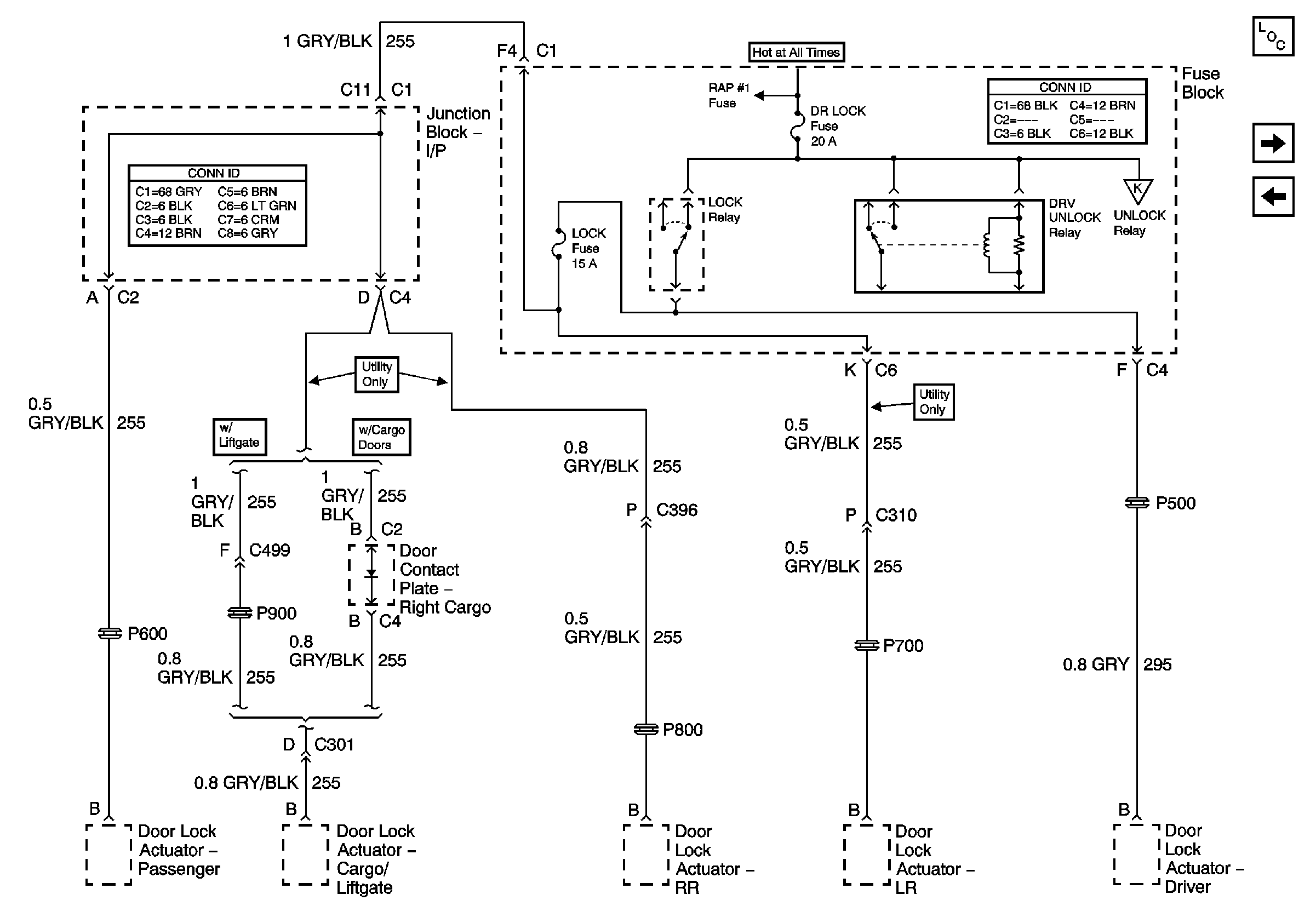
🢒 DR LOCK and LOCK Fuses - Uplevel
DR LOCK and LOCK Fuses - Uplevel
DR LOCK and UNLOCK Fuses - Uplevel
Master Electrical Component List
UNLOCK Fuse - Uplevel
DR LOCK, UNLOCK JMPR, and UNLOCK Fuses - Base
IGNITION, RUN, ACCESSORY, and RAP Bus Bars, RAP #1 and RAP #2 Fuses
UNLOCK Fuse - Uplevel