GM Service Manual Online
For 1990-2009 cars only
Makes
🢒
Chevrolet
🢒
2001
🢒
Astro - 2WD
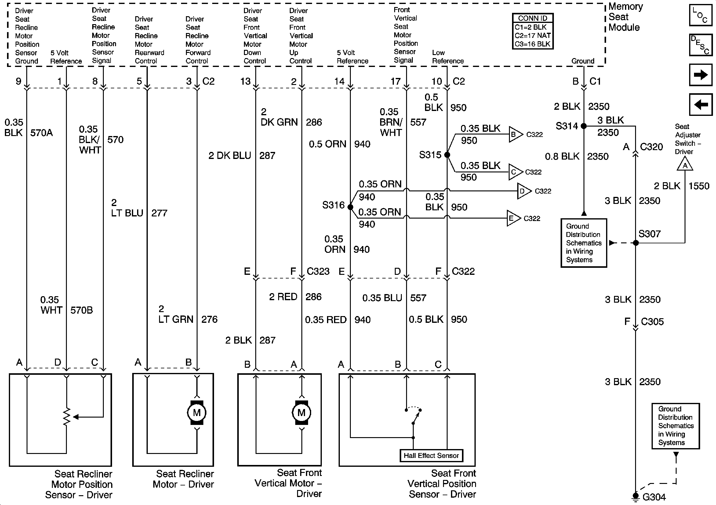
🢒 Ground, Recliner, and Seat Front Vertical Motors
Ground, Recliner, and Seat Front Vertical Motors
Ground, Recliner, and Seat Front Vertical Motors
Master Electrical Component List
Memory Seats Description and Operation
Seat Rear Vertical and Seat Horizontal Motors
Seat Switch Inputs
Seat Rear Vertical and Seat Horizontal Motors
G304
Seat Switch Inputs
G304