GM Service Manual Online
For 1990-2009 cars only
Makes
🢒
Chevrolet
🢒
2002
🢒
Astro - 2WD
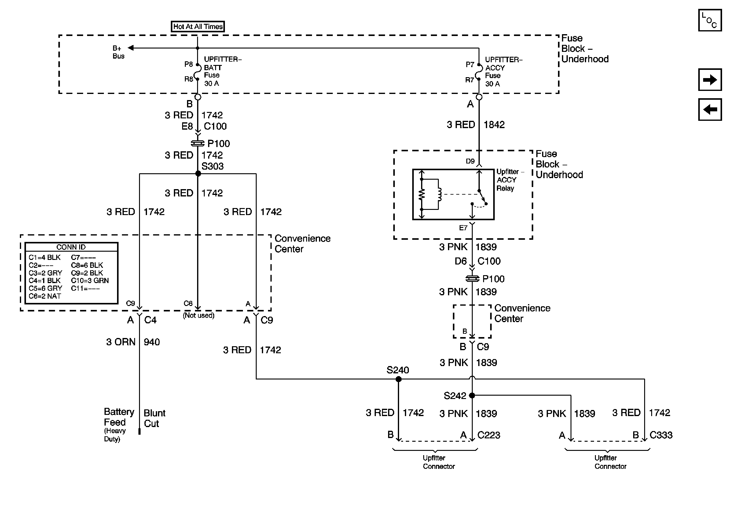
🢒 Upfitter Battery and Upfitter Accy Fuse
Upfitter Battery and Upfitter Accy Fuse
Upfitter Battery and Upfitter Accessory Fuse
Master Electrical Component List
IGN RUN and START Bus Bar
Battery and Lighting Fuse
Battery and Fuse Block - Underhood