GM Service Manual Online
For 1990-2009 cars only
Makes
🢒
Chevrolet
🢒
2002
🢒
Astro - 2WD
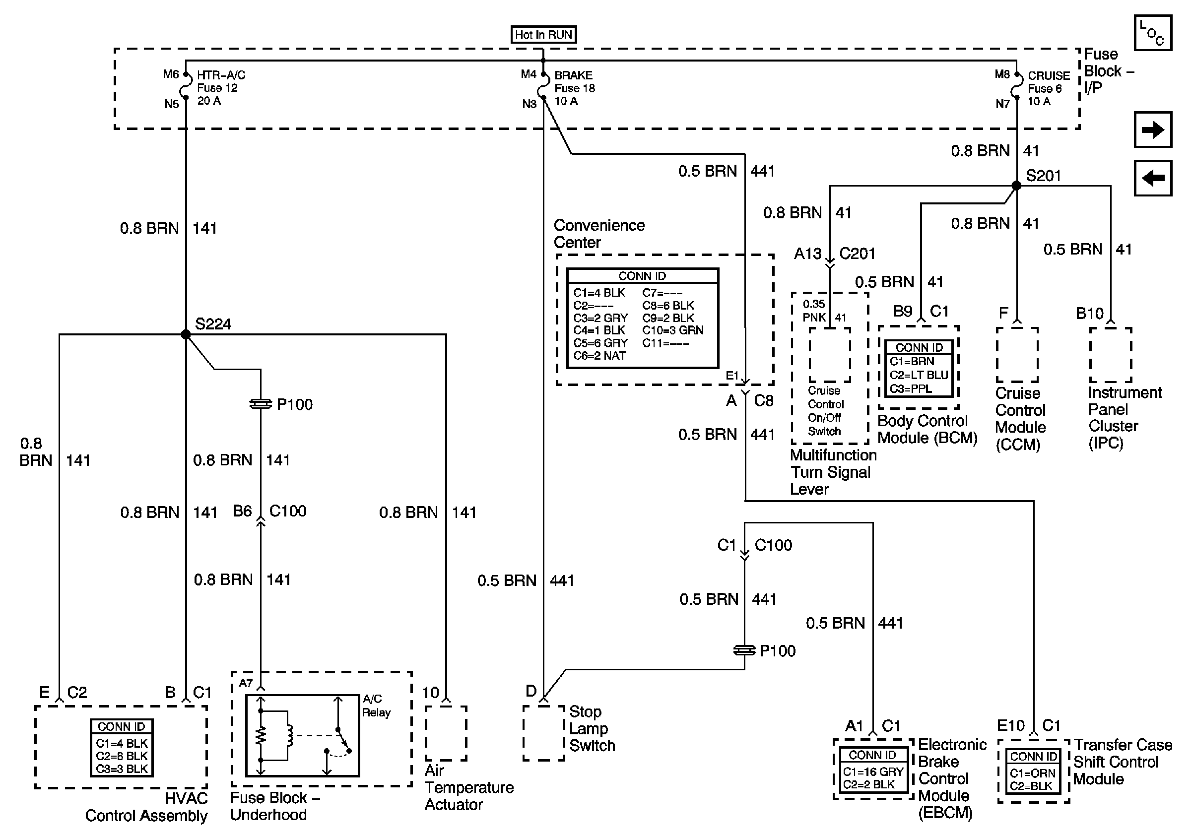
🢒 HTR-A/C, Brake, and Cruise Fuses
HTR-A/C, Brake, and Cruise Fuses
HTR - A/C, Brake, and Cruise Fuses
Master Electrical Component List
Gages, Air Bag, Turn, Back-up Fuses
Illumination Fuse