GM Service Manual Online
For 1990-2009 cars only
Makes
🢒
Chevrolet
🢒
2002
🢒
Astro - 2WD
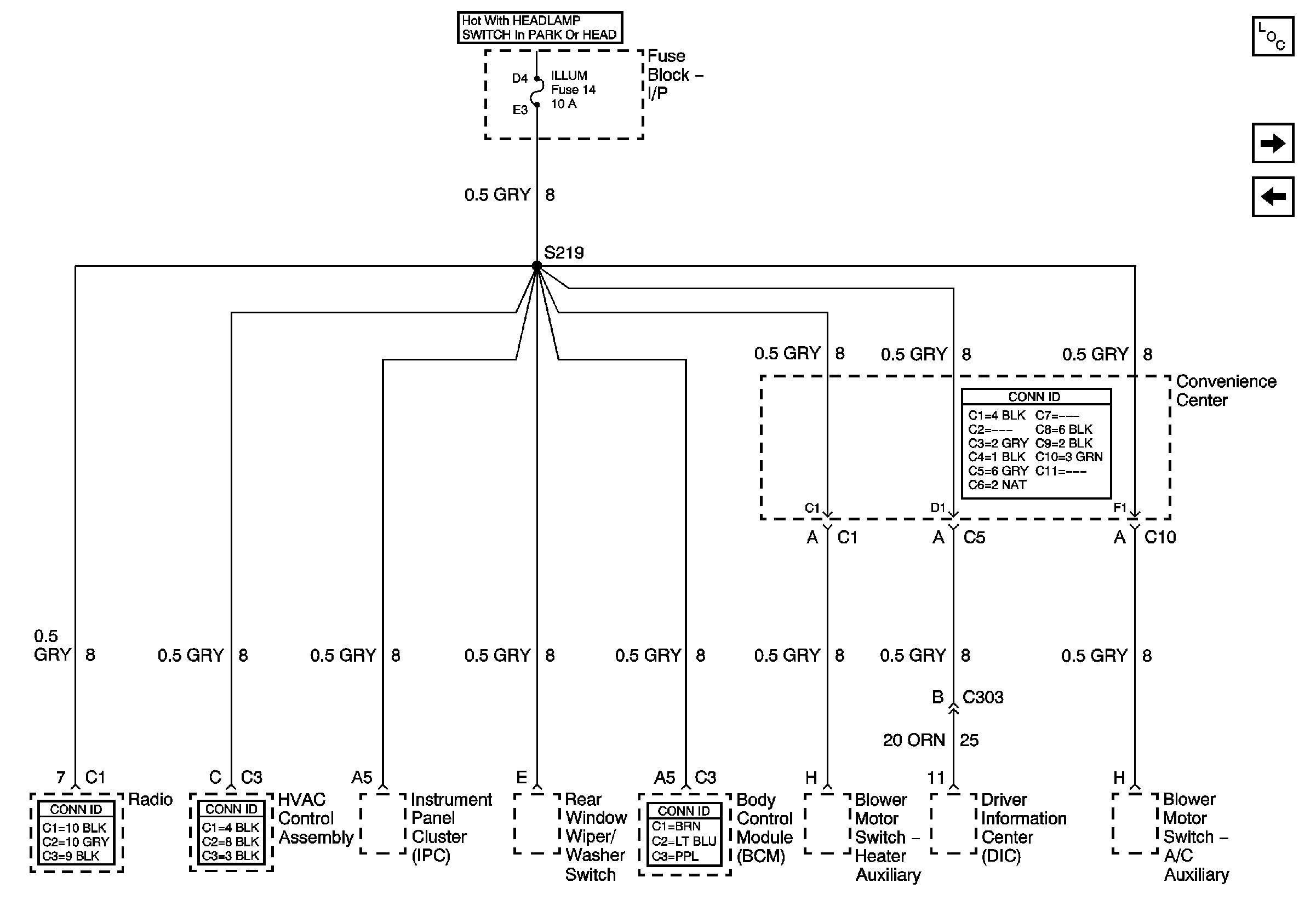
🢒 Illumination Fuse
Illumination Fuse
Illumination Fuse
Master Electrical Component List
HTR-A/C, Brake, and Cruise Fuses
Courtesy, Park Lamps, TBC, and Power Mirror Fuses