GM Service Manual Online
For 1990-2009 cars only
Makes
🢒
Chevrolet
🢒
2002
🢒
Astro - 2WD
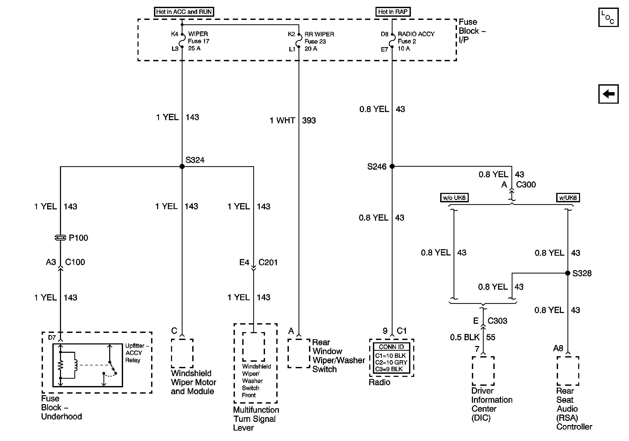
🢒 Wiper, Radio Accessory, and Rear Wiper Fuses
Wiper, Radio Accessory, and Rear Wiper Fuses
Wiper, Radio Accessory, and Rear Wiper Fuses
Master Electrical Component List
Trans Fuse, Windows Circuit Breaker