GM Service Manual Online
For 1990-2009 cars only
Makes
🢒
Chevrolet
🢒
2002
🢒
Astro - 2WD
🢒 Fuel Controls
Fuel Controls
Fuel Controls
Master Electrical Component List
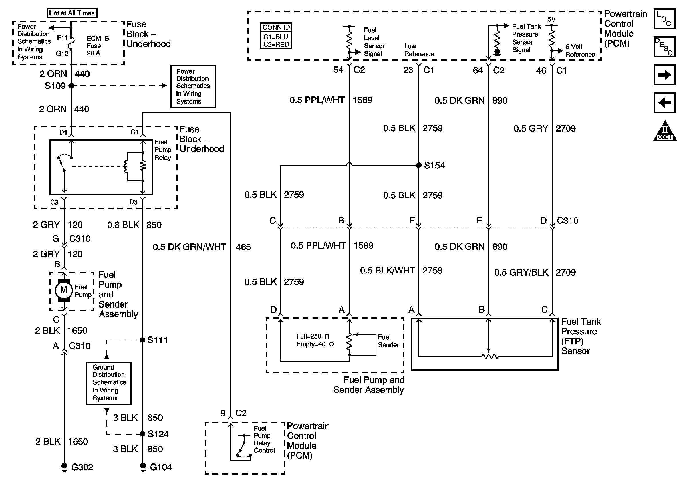
Fuel System Description
Fuel Injection Controls
Ignition Controls
OBD II Symbol Description Notice
Battery and Fuse Block - Underhood
HTD Mirror/RR Defog, A/C Comp, Horn, ECM-B ABS, RAP Fuse
G104