GM Service Manual Online
For 1990-2009 cars only
Makes
🢒
Chevrolet
🢒
2002
🢒
Astro - 2WD
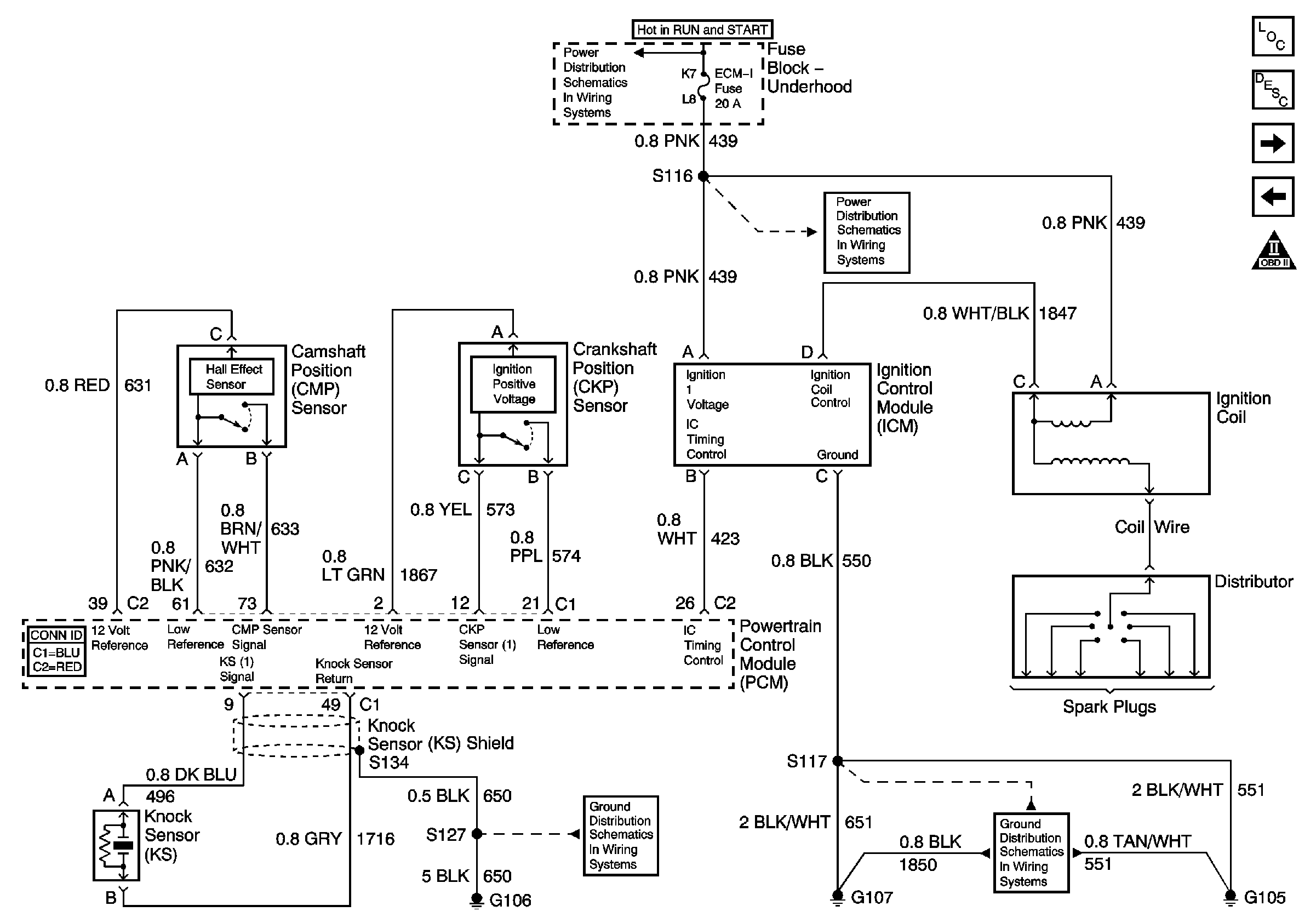
🢒 Ignition Controls
Ignition Controls
Ignition Controls
Master Electrical Component List
Knock Sensor (KS) System Description
Fuel Controls
Oxygen Sensors
OBD II Symbol Description Notice
IGN RUN and START Bus Bar
ECM - I Fuse
G100, G106, and G302
G105, and G107