GM Service Manual Online
For 1990-2009 cars only
Makes
🢒
Chevrolet
🢒
2002
🢒
Astro - 2WD
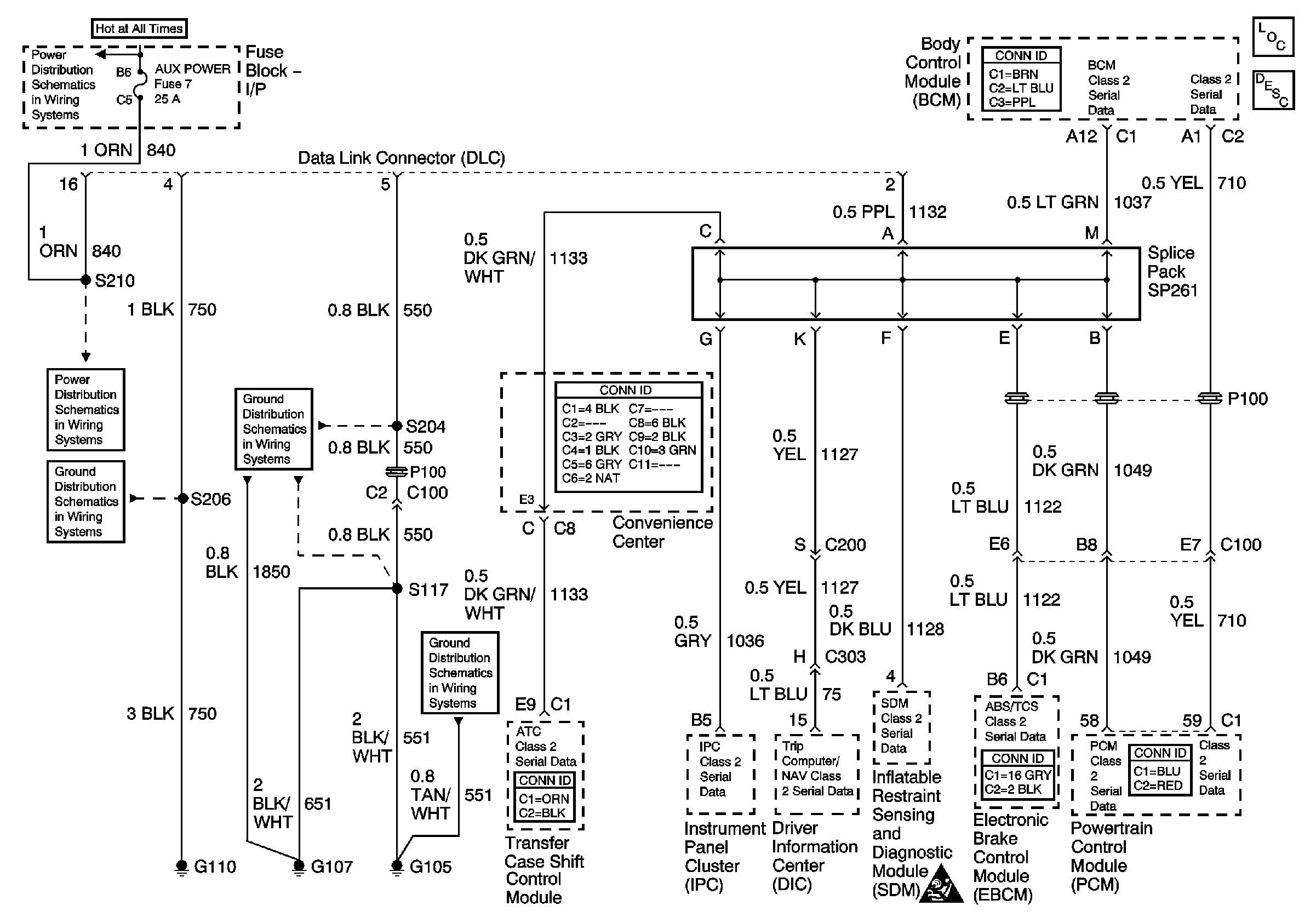
🢒 Data Link Connector (DLC)
Data Link Connector (DLC)
Master Electrical Component List
Data Link Communications Description and Operation
Battery and Lighting Fuse
Stop/Hazard Fuse and Aux Power Fuse
G110 (1 of 2)
G105, and G107
G105, and G107
SIR Caution