GM Service Manual Online
For 1990-2009 cars only
Makes
🢒
Chevrolet
🢒
2002
🢒
Astro - 2WD
🢒 Courtesy Lamp Relay, and I/P Compartment Lamp
Courtesy Lamp Relay, and I/P Compartment Lamp
Courtesy Lamp Relay, and I/P Compartement Lamp
Master Electrical Component List
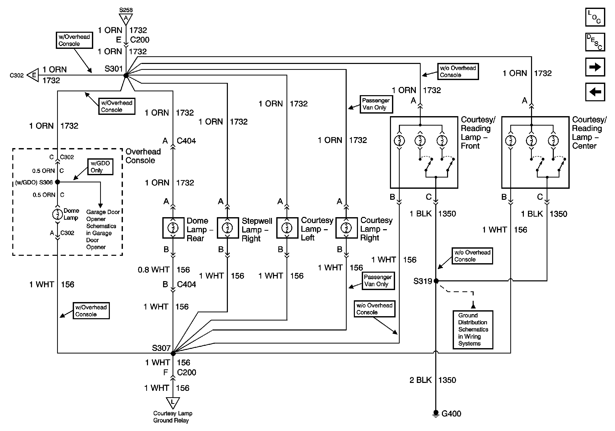
Interior Lighting Systems Description and Operation
Courtesy/Stepwell/Dome Lamps
Courtesy/Stepwell/Dome Lamps
Vanity Mirror Lamps, Inadvertent Power Relay
Vanity Mirror Lamps, Inadvertent Power Relay
G110 (1 of 2)
Courtesy/Stepwell/Dome Lamps
G200
G200