GM Service Manual Online
For 1990-2009 cars only
Makes
🢒
Chevrolet
🢒
2002
🢒
Astro - 2WD
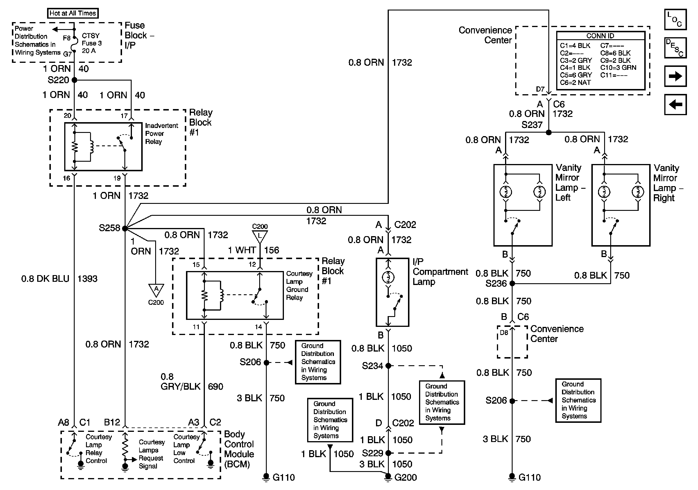
🢒 Vanity Mirror Lamps, Inadvertent Power Relay
Vanity Mirror Lamps, Inadvertent Power Relay
Vanity Mirror Lamps, Inadvertent Power Relay
Master Electrical Component List
Interior Lighting Systems Description and Operation
Power Window/Door Lock Switches
Front Door Lamp Options
Battery and Lighting Fuse
Courtesy Lamp Relay, and I/P Compartment Lamp
Courtesy Lamp Relay, and I/P Compartment Lamp
G110 (1 of 2)