GM Service Manual Online
For 1990-2009 cars only
Makes
🢒
Chevrolet
🢒
2002
🢒
Astro - 2WD
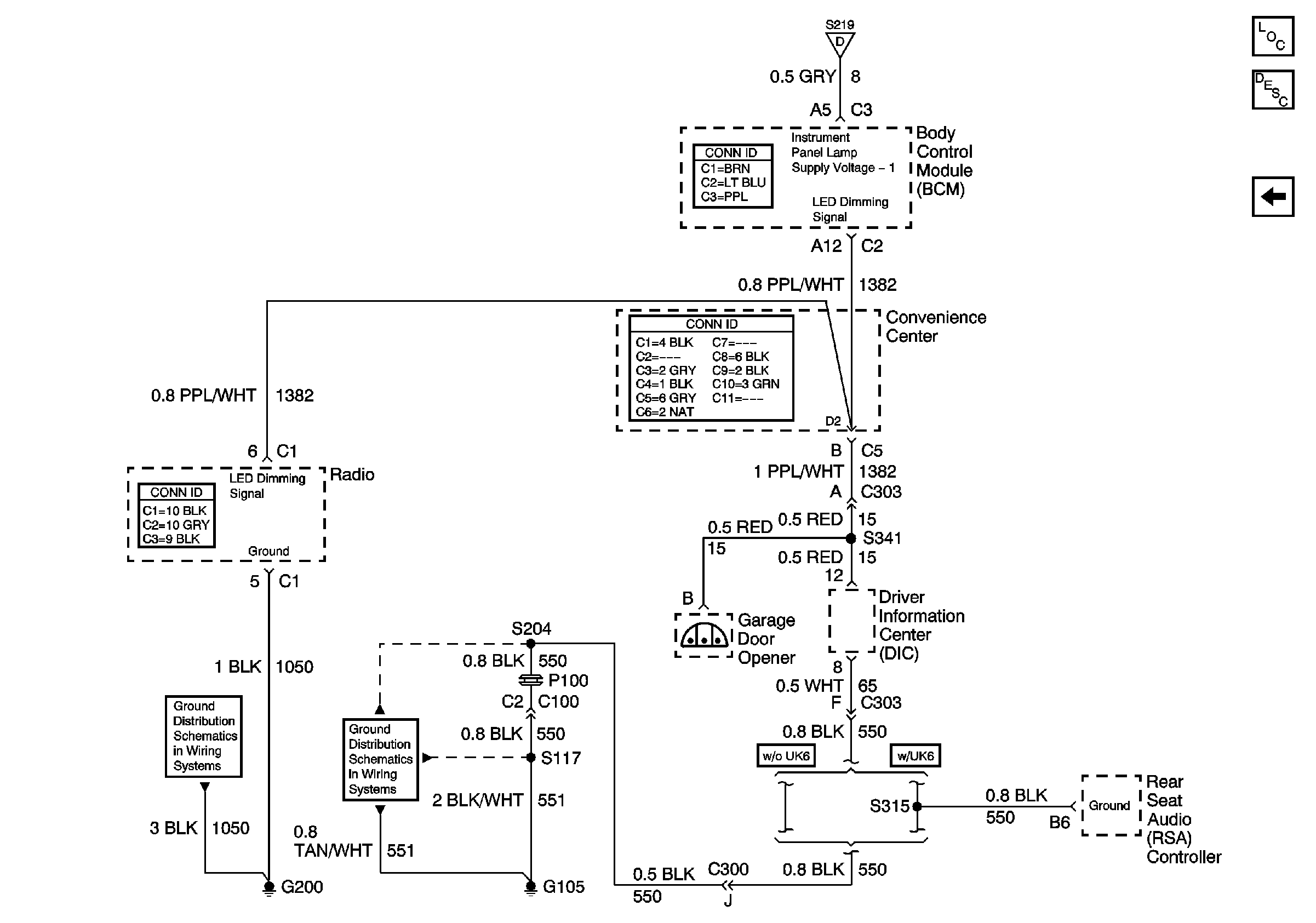
🢒 Radio, Overhead Console, and RSA
Radio, Overhead Console, and RSA
Radio, Overhead Console, and RSA
Master Electrical Component List
Interior Lighting Systems Description and Operation
Overhead Console, Rear Heater and A/C Switches, and RSA
Illumination
G200
G105, and G107