GM Service Manual Online
For 1990-2009 cars only
Makes
🢒
Chevrolet
🢒
2002
🢒
Astro - 2WD
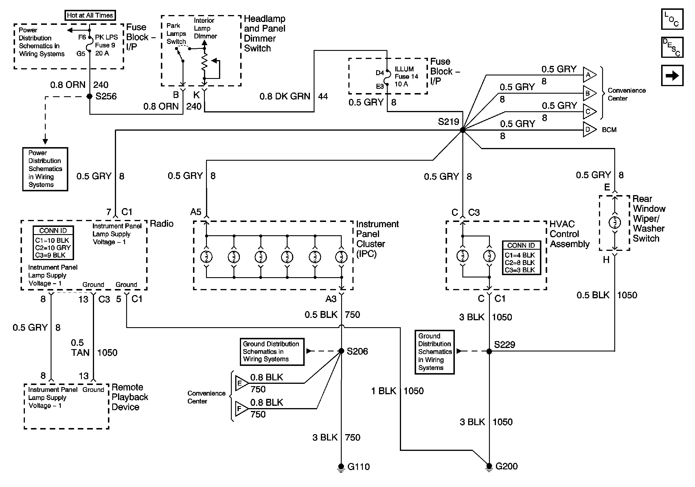
🢒 Illumination
Illumination
Illumination
Master Electrical Component List
Interior Lighting Systems Description and Operation
Overhead Console, Rear Heater and A/C Switches, and RSA
Battery and Lighting Fuse
Overhead Console, Rear Heater and A/C Switches, and RSA
Radio, Overhead Console, and RSA
Courtesy, Park Lamps, TBC, and Power Mirror Fuses
G110 (1 of 2)
G200
Overhead Console, Rear Heater and A/C Switches, and RSA