GM Service Manual Online
For 1990-2009 cars only
Makes
🢒
Chevrolet
🢒
2005
🢒
Astro - 2WD
🢒 Engine Data Sensors
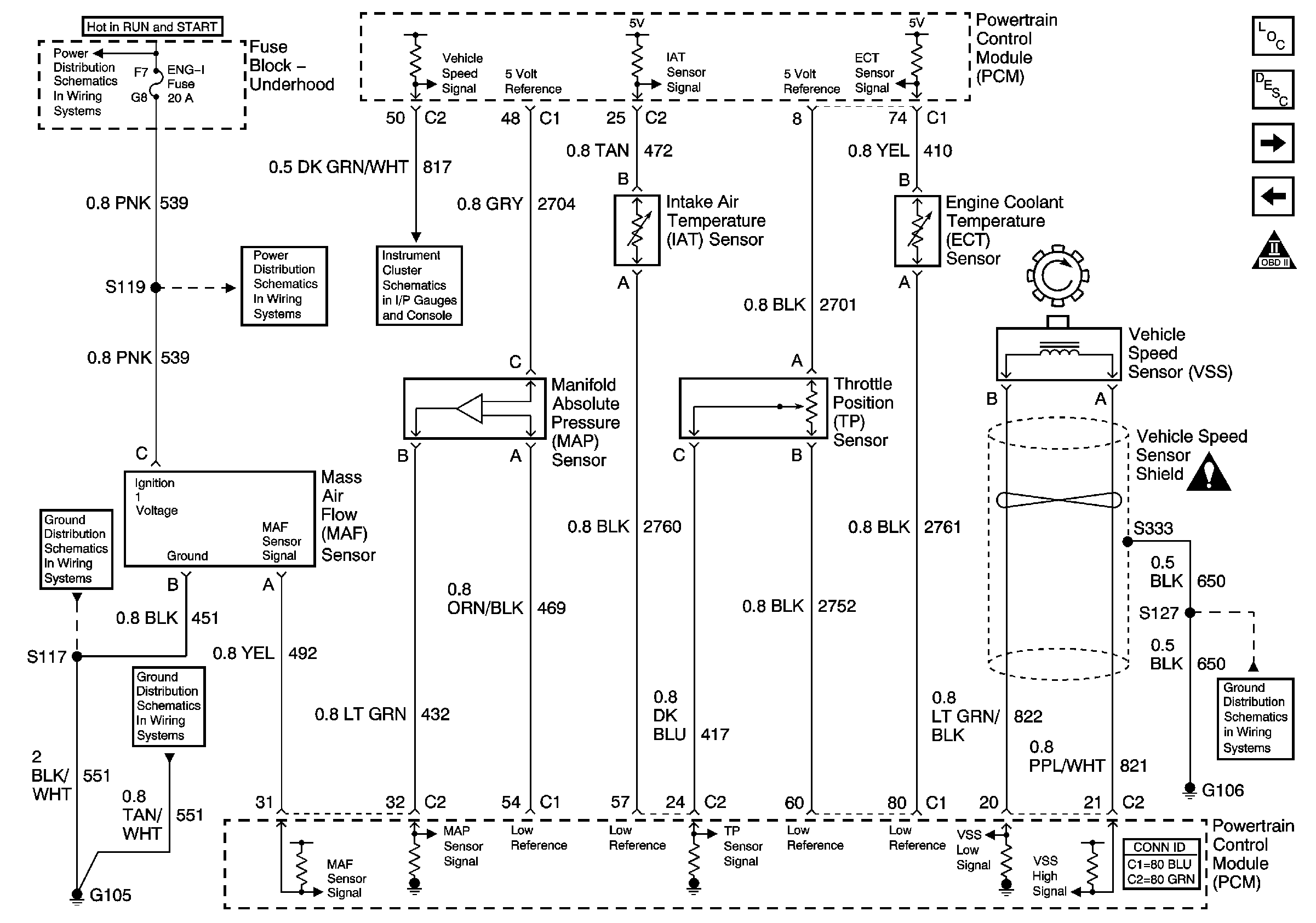
Engine Data Sensors
Engine Data Sensor
Master Electrical Component List
Air Intake System Description
Oxygen Sensors
Module Power, Ground, Serial Data, and Ground
OBD II Symbol Description Notice
Ignition Switch - START, RUN/START, and OFF/RUN/START Bus Bars
ENG-I, and IGN-E Fuses
Gages
G104
G105 and G107
G100, G106, and G302
Engine Controls Schematic Icons