GM Service Manual Online
For 1990-2009 cars only
Makes
🢒
Chevrolet
🢒
2005
🢒
Astro - 2WD
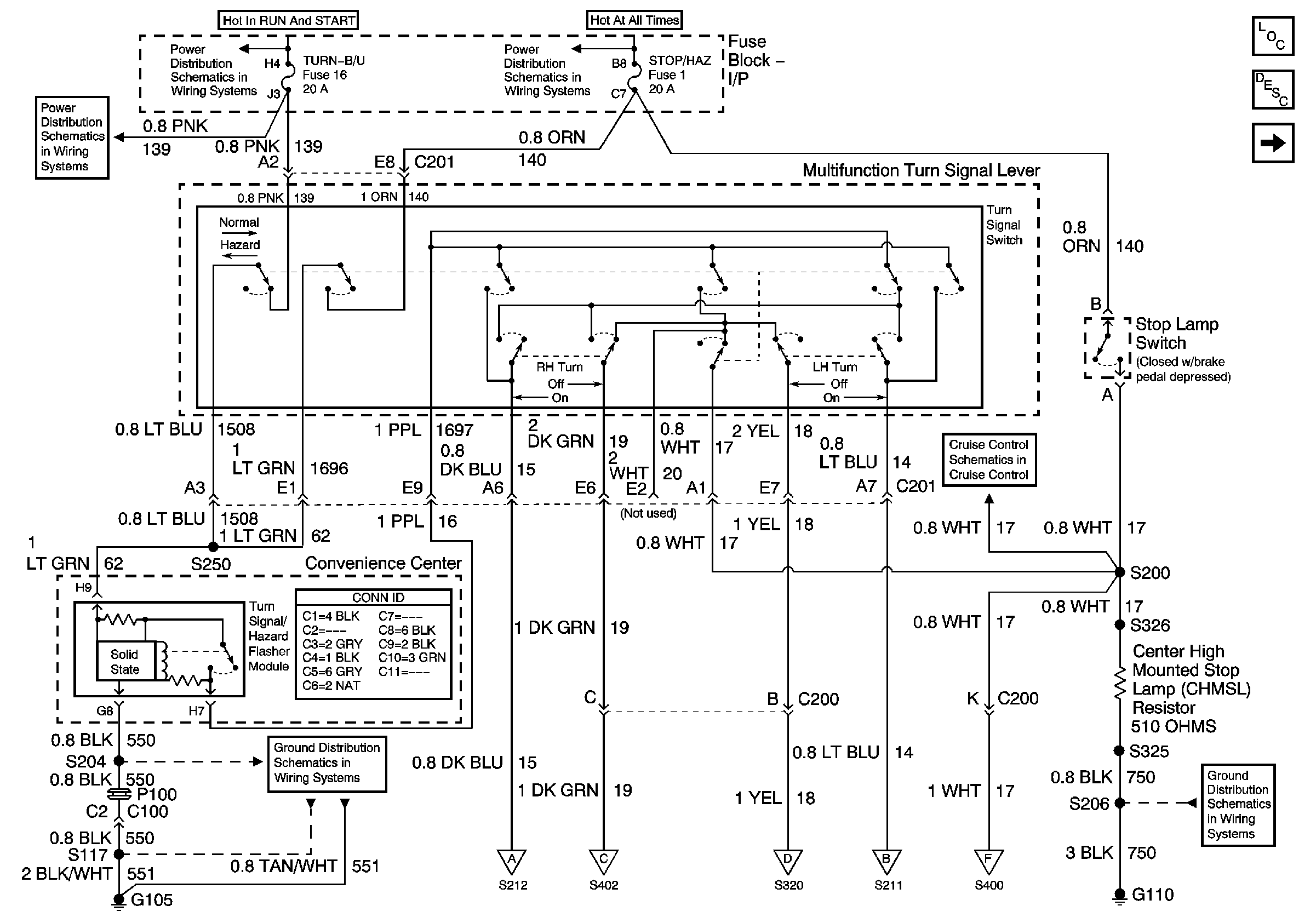
🢒 Turn Signal Switch, and Turn Signal/Hazard Flasher Module
Turn Signal Switch, and Turn Signal/Hazard Flasher Module
Turn Signal Switch, and Turn Signal/Hazard Flasher Module
Master Electrical Component List
Exterior Lighting Systems Description and Operation
Turn Indicators, Front Marker Lamps, Front Park/Turn Signal Lamp
AIR BAG, GAGES, and TURN-B/U Fuses
Ignition Switch - START, RUN/START, and OFF/RUN/START Bus Bars
B+ Bus
Cruise Control Schematics
G105 and G107
Turn Indicators, Front Marker Lamps, Front Park/Turn Signal Lamp
Rear Marker Lamps, Tail/Stop and Turn Signal Lamps, CHMSL, and License Lamp
Rear Marker Lamps, Tail/Stop and Turn Signal Lamps, CHMSL, and License Lamp
Turn Indicators, Front Marker Lamps, Front Park/Turn Signal Lamp
Rear Marker Lamps, Tail/Stop and Turn Signal Lamps, CHMSL, and License Lamp
G110 - Page 1 of 2