GM Service Manual Online
For 1990-2009 cars only
Makes
🢒
Chevrolet
🢒
2005
🢒
Astro - 2WD
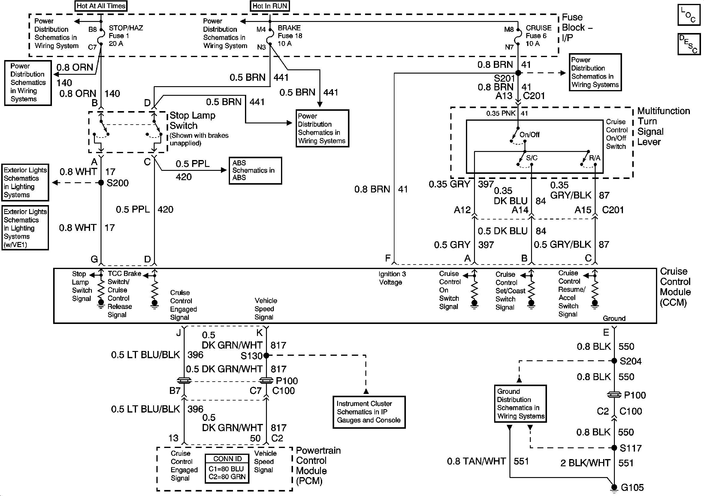
🢒 Cruise Control Schematics
Cruise Control Schematics
Master Electrical Component List
Cruise Control Description and Operation
B+ Bus
AUX PWR, and STOP/HAZ Fuses
Ignition Switch - ACC/RUN and RUN Bus Bars
Turn Signal Switch, and Turn Signal/Hazard Flasher Module
Turn Signal Switch, and Turn Signal/Hazard Flasher Module
EBCM Power, Ground, and DLC
BRAKE, CRUISE, and HTR-A/C Fuses
BRAKE, CRUISE, and HTR-A/C Fuses
Gages
G104