GM Service Manual Online
For 1990-2009 cars only
Makes
🢒
Chevrolet
🢒
1996
🢒
Astro - 4WD
🢒 Comprehensive Components
Comprehensive Components
Comprehensive Components
Handling ESD Sensitive Parts Notice
Handling ESD Sensitive Parts Notice
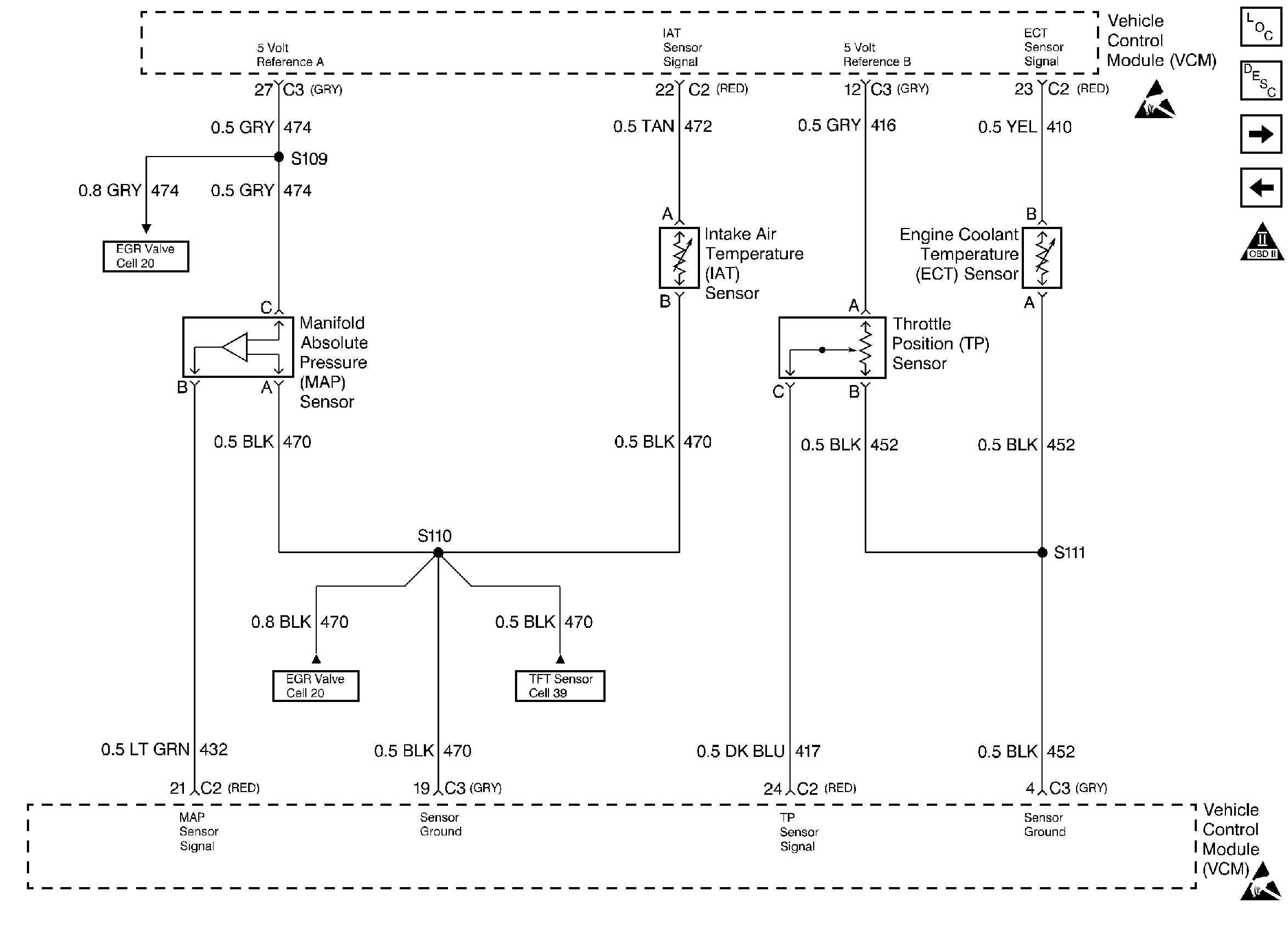
Engine Controls Components
Information Sensors 4.3L, 5.0L
EVAP and EGR
Fuel Injector
OBD II Symbol Description Notice