GM Service Manual Online
For 1990-2009 cars only
Makes
🢒
Chevrolet
🢒
1996
🢒
Astro - 4WD
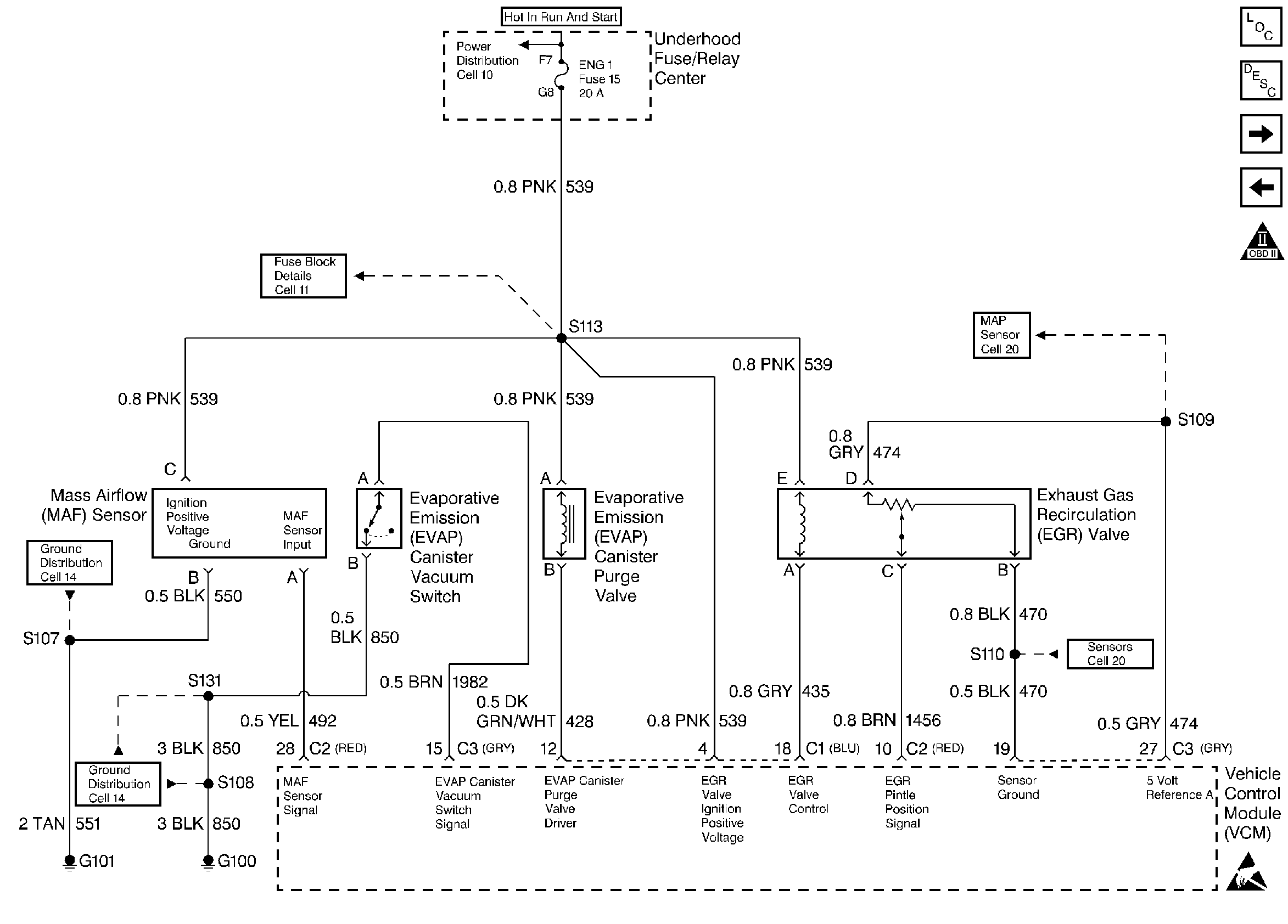
🢒 EVAP and EGR
EVAP and EGR
EVAP and EGR
Handling ESD Sensitive Parts Notice
Engine Controls Components
Information Sensors 4.3L, 5.0L
H02S Mechanization
Comprehensive Components
OBD II Symbol Description Notice