GM Service Manual Online
For 1990-2009 cars only

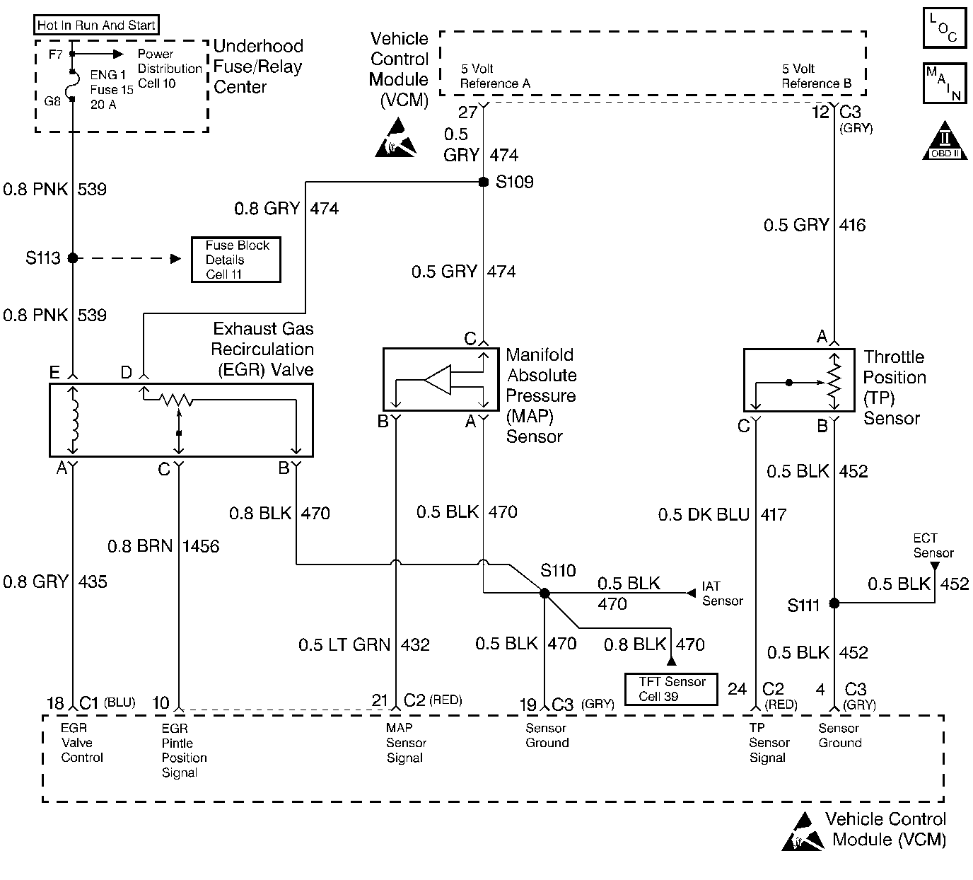
Object Number: 34382  Size: LF
Handling ESD Sensitive Parts Notice
Handling ESD Sensitive Parts Notice
Engine Controls Components
Comprehensive Components
OBD II Symbol Description Notice

Circuit Description

The Manifold Absolute Pressure (MAP) sensor responds to changes in the intake manifold pressure (vacuum). A 5 volt reference is applied to the sensor on the 5 volt reference circuit. A variable resistor moves in relation to the manifold pressure and a voltage signal is sent back to the VCM on the MAP sensor signal circuit. This voltage signal will vary from 1.0-1.5 volts at closed throttle to 4.0-4.6 volts at wide open throttle (low vacuum). The VCM utilizes the MAP signal and the throttle position in order to determine the correct amount of fuel delivered to the engine. This DTC is a type D DTC.

Conditions for Setting the DTC

The following conditions will set the DTC:

  1. No TP sensor faults are set.
  2. The engine is operating.
  3. The TP is at least 0% when engine speed is no more than 800 RPM.
  4. Or the TP is at least 12.5% when the engine speed is greater than 800 RPM.
  5. The MAP voltage less than 0.20 volts.

Action Taken When the DTC Sets

The VCM turns the MIL ON when this DTC is reported and 1 failure has occurred. The VCM substitutes a calculated value for the MAP sensor value so that acceptable performance is maintained.

Conditions for Clearing the MIL/DTC

A history DTC will clear if no fault conditions have been detected for 40 warm-up cycles (the coolant temperature has risen 40°F from the start-up coolant temperature and the engine coolant temperature exceeds 160°F during that same ignition cycle) or the scan tool clearing feature has been used.

Diagnostic Aids

An intermittent open in the MAP sensor signal circuit or the 5 volt reference circuit will result in a DTC P1107.

With the ignition ON and the engine off, the manifold pressure is equal to the atmospheric pressure with the signal voltage high. The VCM uses this information as an indication of the altitude of the vehicle.

Comparison of this reading with a known good vehicle using the same sensor is a good way to check the accuracy of a suspect sensor. Readings should be the same ±4 volt.

Refer to Intermittent Conditions .

Important: The electrical connector must remain securely fastened.

Important: After removing the MAP sensor from the intake manifold, replace the MAP Sensor to intake manifold seal.

Disconnect the sensor from the bracket. Twist the sensor by hand (only) in order to check for intermittent connections. The output changes greater than 0.1 volt indicates a bad connector or connection. If OK, replace the sensor. Refer to MAP Sensor Replacement .

Test Description

The numbers below refer to the step numbers on the diagnostic table.

  1. This step determines if the DTC P1107 is the result of a hard failure or an intermittent condition.

  2. Jumpering the 5 volt reference to the signal circuit will determine if sensor is at fault or if there is a problem with the VCM, or the wiring.

  3. The scan tool may not display 5 volts. The important thing is that the VCM recognized the voltage as more than 4 volts, indicating that the VCM and MAP sensor signal circuit are OK.

Step

Action

Value(s)

Yes

No

1

Important: Before clearing the DTCs, use the scan tool in order to record the Freeze Frame and the Failure Records for reference. This data will be lost when the Clear Info function is used.

Was the Powertrain On-Board Diagnostic (OBD) System Check performed?

--

Go to Step 2

Go to Powertrain On Board Diagnostic (OBD) System Check

2

  1. Install the scan tool.
  2. Leave the engine idling.

Does the scan tool display a MAP sensor voltage less than the specified value?

0.5 V

Go to Step 3

Go to Step 5

3

  1. Turn OFF the ignition.
  2. Disconnect the MAP sensor electrical connector.
  3. Jumper the MAP sensor 5 volt reference to the MAP sensor signal circuit.
  4. Turn ON the ignition.

Does the scan tool display a MAP sensor voltage greater then the specified value?

4.7 V

Go to Step 6

Go to Step 4

4

  1. Turn off the ignition.
  2. Remove the jumper wire.
  3. Probe terminal B of the MAP sensor harness with a test lamp to B+.

Turn ON the ignition.

Does the scan tool display a MAP sensor voltage greater the specified value?

4.7 V

Go to Step 9

Go to Step 7

5

The DTC is an intermittent. If no additional DTCs are stored, refer to the Diagnostic Aids. If additional DTCs are stored refer to those tables first.

Are any additional DTCs stored?

--

Go to The Applicable DTC Table

--

6

Check for a faulty connection at the MAP sensor.

Was a problem found?

--

Go to Step 12

Go to Step 11

7

Check for an open MAP sensor signal circuit.

Was a problem found?

--

Go to Step 12

Go to Step 8

8

Check the MAP sensor signal circuit for a short to ground.

Was a problem found?

--

Go to Step 12

Go to Step 13

9

Check for an open in the MAP sensor 5 volt reference circuit.

Was a problem found?

--

Go to Step 12

Go to Step 10

10

Check for a short to ground in the MAP sensor 5 volt reference circuit.

Was a problem found?

--

Go to Step 12

Go to Step 13

11

Replace the faulty MAP sensor. Refer to MAP Sensor Replacement .

Is the action complete?

--

Go to Step 12

--

12

Repair the circuit as necessary. Refer to Wiring Repairs in Engine Electrical.

Is the action complete?

--

Go to Step 13

--

13

Replace the faulty VCM.

Important:  If the VCM is faulty, reprogram the new VCM. Refer to VCM Replacement/Programming .

Is the action complete?

--

Go to Step 14

--

14

  1. Using the scan tool, select the DTC and the Clear Info.
  2. Start the engine.
  3. Idle at normal operating temperature.
  4. Select the DTC and the Specific.
  5. Then enter the DTC number which was set.
  6. Operate the vehicle within the conditions for setting this DTC as specified in the supporting text.

Does the scan tool indicate that this diagnostic ran and passed?

--

Go to Step 15

Go to Step 2

15

Using the scan tool, select the Capture Info and the Review Info.

Are any DTCs displayed that have not been diagnosed?

--

Go to The Applicable DTC Table

System OK