GM Service Manual Online
For 1990-2009 cars only
Makes
🢒
Chevrolet
🢒
1999
🢒
Astro - 4WD
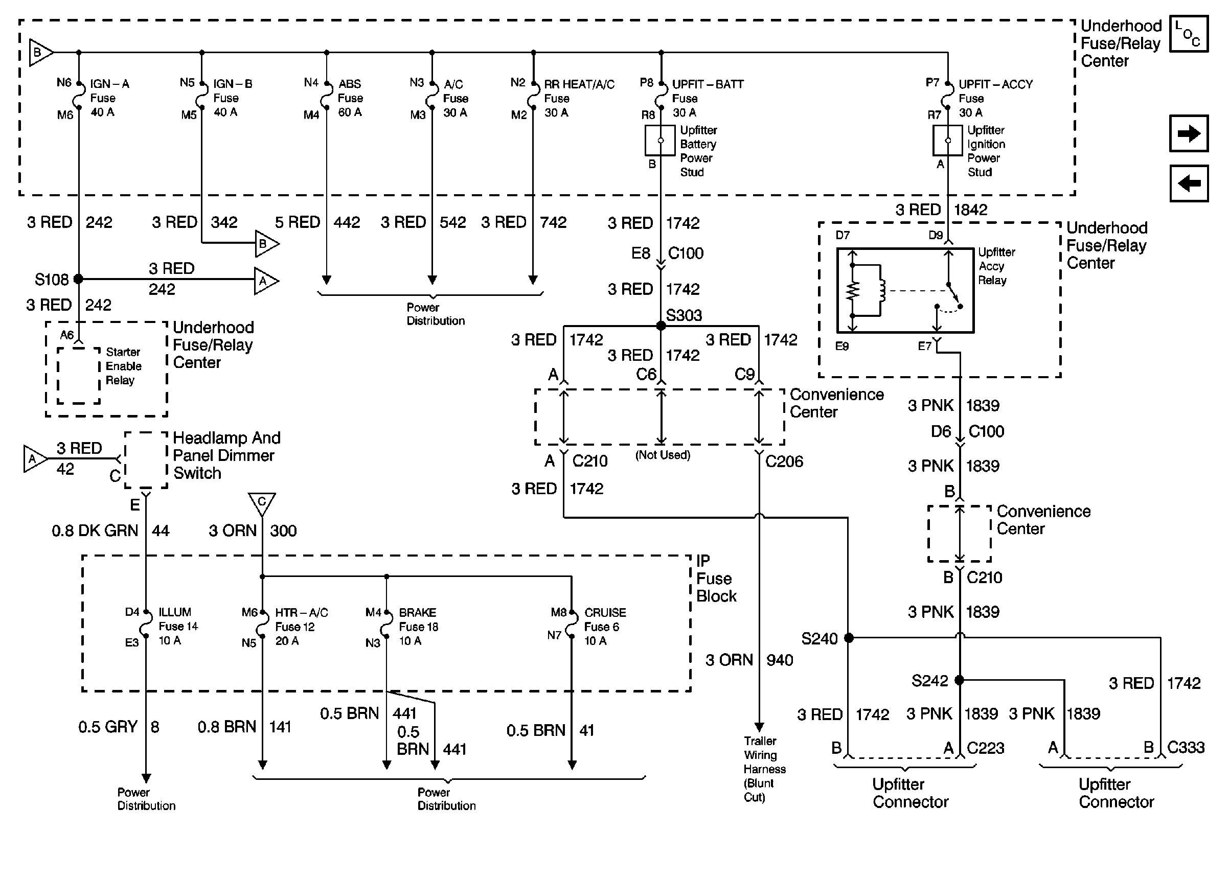
🢒 B+ Bus, Ignition Switch, Run Bus
B+ Bus, Ignition Switch, Run Bus
B+ Bus, Ignition Switch, Run Bus
Power and Grounding Components
Ignition Switch, Run, Run/Start, Off/Run/Start Bus
B+ Bus
B+ Bus
Ignition Switch, Run, Run/Start, Off/Run/Start Bus
Ignition Switch, Run, Run/Start, Off/Run/Start Bus
ABS, A/C, RR HEAT-A/C Fuses
B+ Bus
Ignition Switch, Run, Run/Start, Off/Run/Start Bus
ILLUM Fuse
HTR-A/C, BRAKE, CRUISE Fuses
Trailer Wiring
Inline Harness Connector End Views
Inline Harness Connector End Views